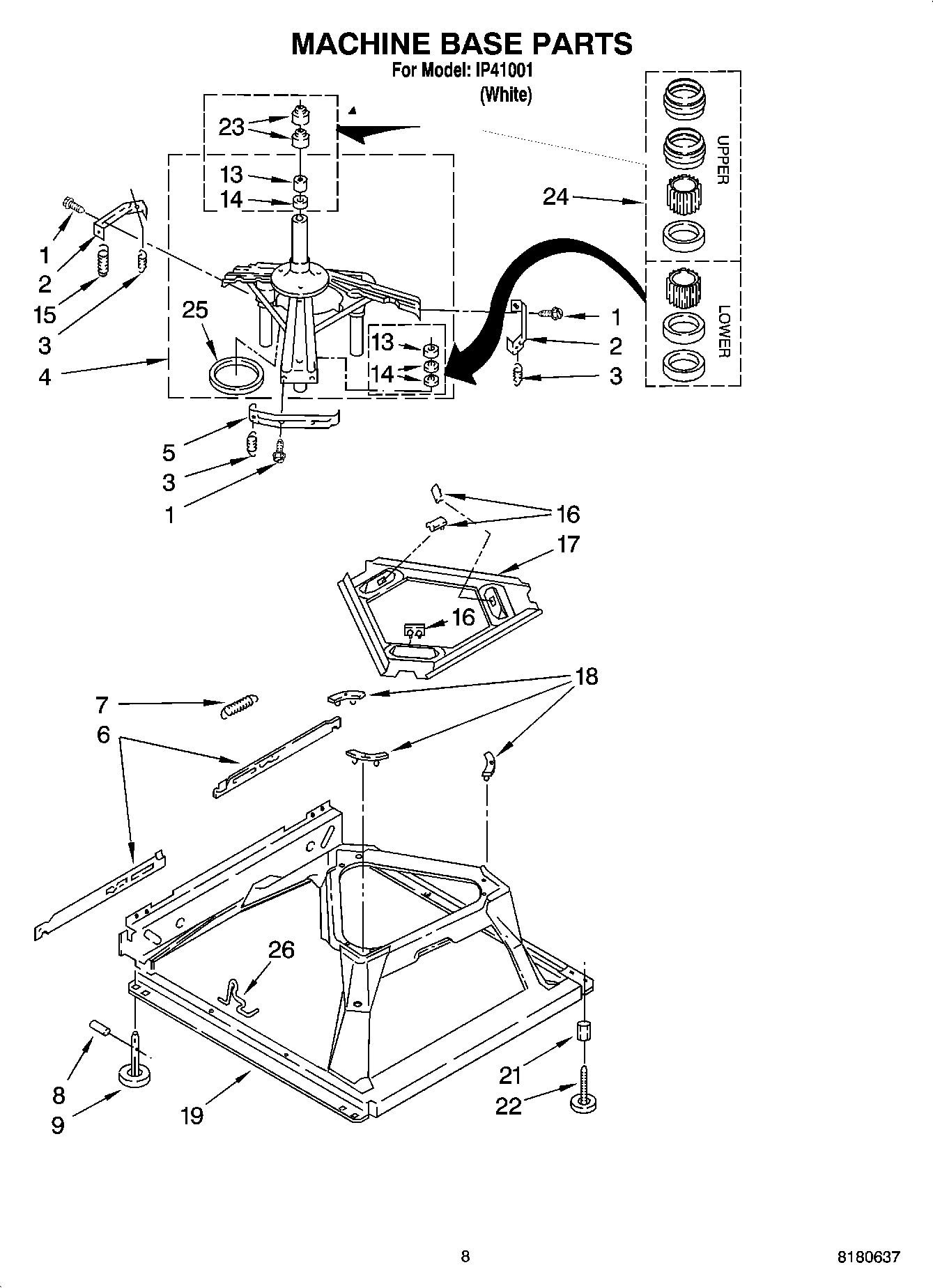
IP41001 05 – MACHINE BASE PARTS