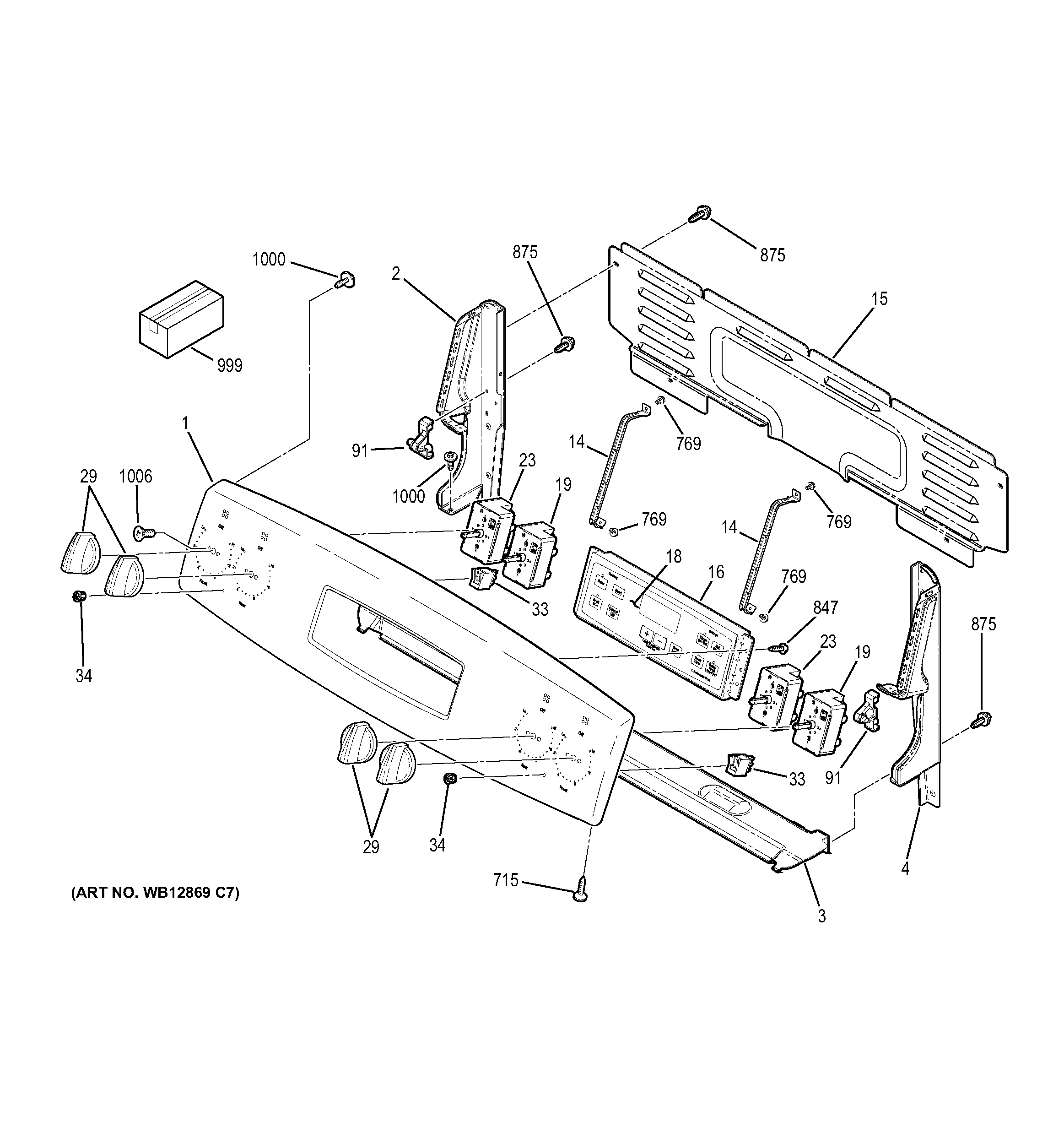
| 1 | WB36T11413 GE Oven Trim & Bracket Assembly (White) |
| 1 | LABEL WIRE DIAGRAM |
| 2 | WB36T11207 GE Oven End Plate LT |
| 3 | WB02X20711 GE Oven Heat Shield Back Guard |
| 4 | WB36T11206 GE Oven End Plate Right |
| 14 | WB34X20080 GE Control Bracket |
| 15 | COVER CONTROL |
| 16 | CONTROL OVEN TO9 (ELEC) |
| 18 | WB27T11512 GE Oven Faceplate Graphics |
| 19 | WB24T10025 SWITCH INFIN(2500W) |
| 23 | WB24T10029 GE Oven Infinite Burner Switch |
| 29 | WB03T10344 GE Oven Infinite Knob |
| 33 | WB25K10010 GE Oven Light Indicator Pilot |
| 34 | WB25T10103 GE Oven Lens |
| 91 | WB10T10116 GE Range Top Hinge Pin |
| 715 | WD2X432 GE Dishwasher Screw |
| 769 | WB1X500D GE Oven Screw Package |
| 847 | WB02T10324 GE Oven Screw 6-20 GXB IHXW 3/8 NI |
| 875 | WZ4X245D GE Screw Package |
| 875 | WH2X930 GE Screw |
| 999 | GEN 31-10781 |
| 999 | GEN 49-80632 |
| 999 | GEN 31-10816 |
| 999 | GEN 31-14544 |
| 999 | INSTR INSTALL OVN DOOR |
| 1000 | WB01T10126 GE Oven Screw 8-18 AB HXW 1/2 S |
| 1000 | WS02X10087 GE Screws 10-32 GX HXW 7/16 S |
| 1006 | WB01T10053 GE Oven 8-32 TPT FLR Screw |