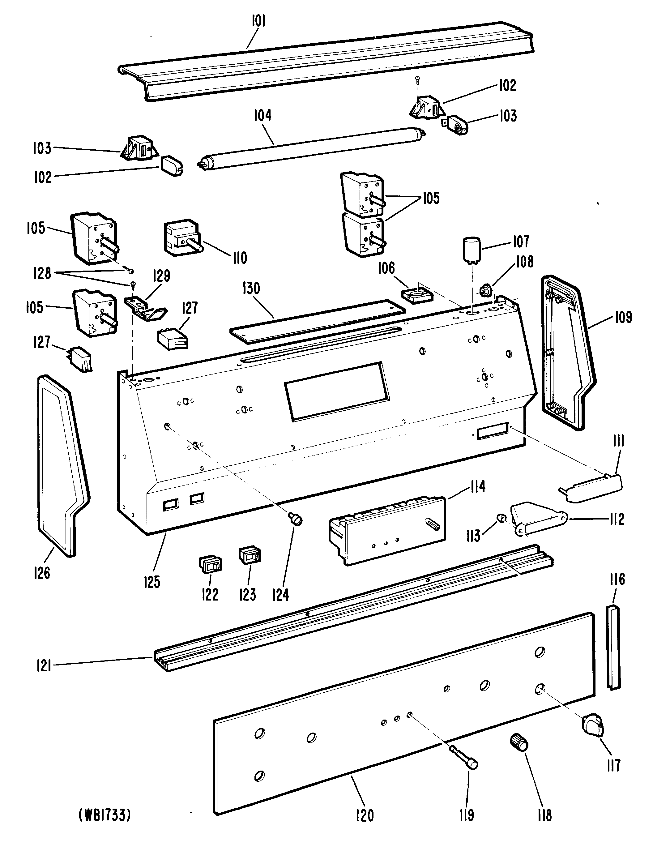
JB552GK-2 1