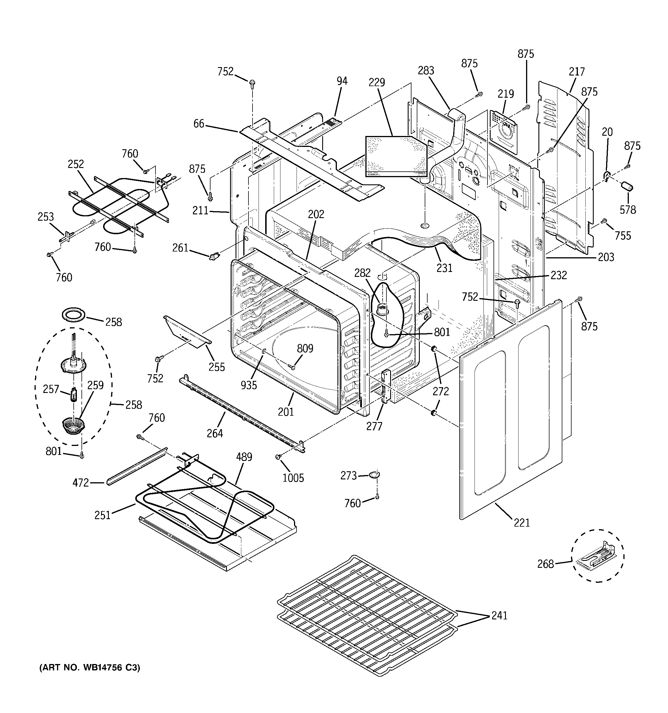
JB840SP1SS BODY PARTS