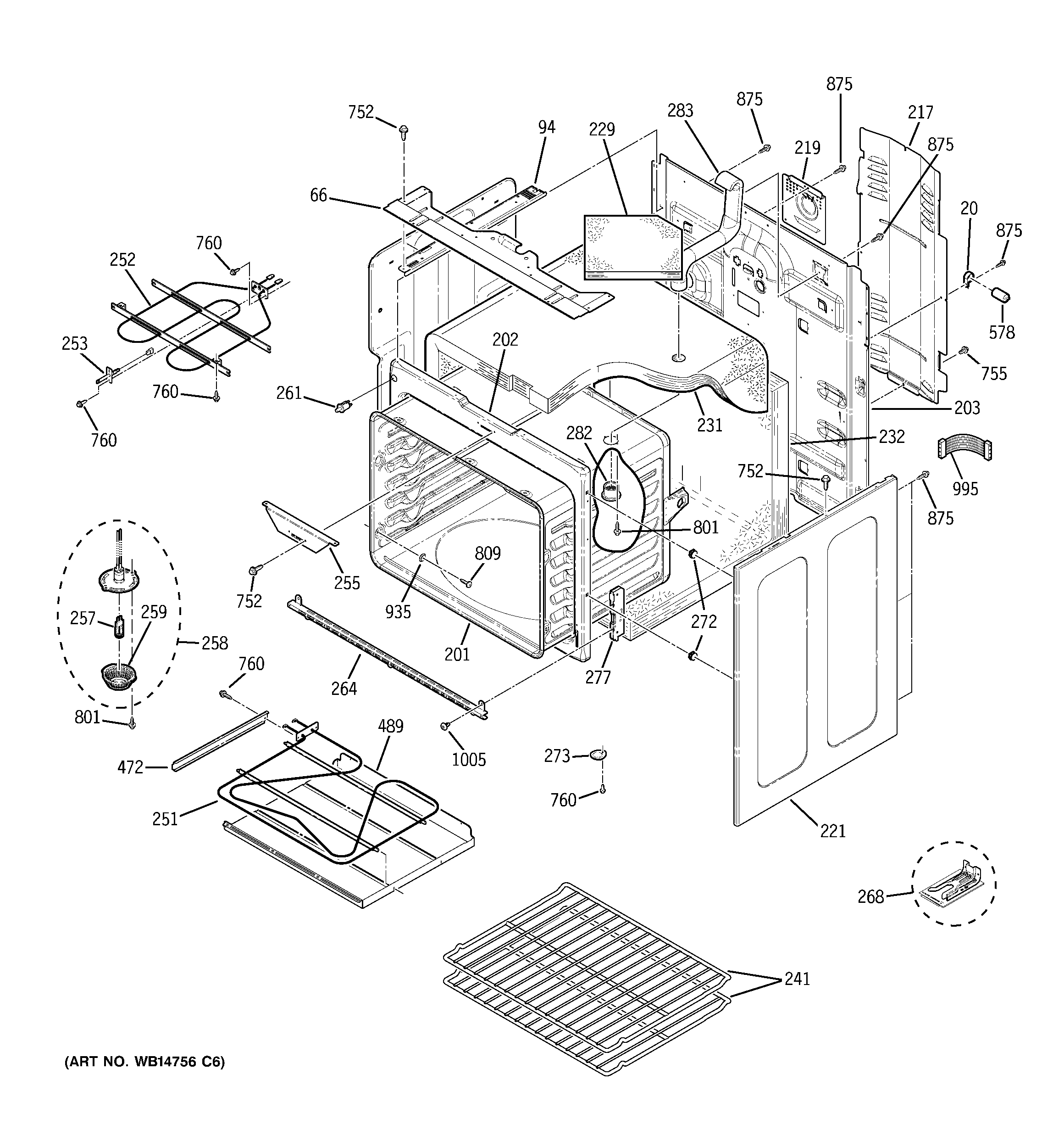
| 20 | WB02T10194 GE Capacitor Bracket |
| 66 | WB34T10125 GE Enclosure Raptor |
| 94 | WB34X26004 GE Range Radiant LT Chassis BR |
| 94 | WB02T10463 GE Oven Radiant Chassis Brace |
| 201 | GEN WB63T10150 |
| 202 | GEN WB63T10096 |
| 203 | GEN WB63T10147 |
| 217 | WB34T10128 GE Oven Back Cover |
| 219 | COVER RECEPTACLE |
| 221 | WB56X28881 GE Oven Side Panel Black |
| 221 | WB63T10121 GE Side Panel (Bq) |
| 221 | WB56X28884 GE Oven White Side Panel |
| 229 | WB35T10017 GE Oven Vent Tube Insulation |
| 231 | WB35T10209 GE Oven Insulation |
| 232 | GEN WB35T10023 |
| 241 | WB48T10082 GE Oven Rack |
| 251 | WB44X45499 GE Oven Bake Element |
| 252 | WB44T10094 GE Oven Broil Element |
| 253 | WB21X22134 GE Oven Sensor Assembly |
| 255 | GEN WB07T10517 |
| 257 | WB08T10023 GE Oven Halogen Lamp 35W 130V |
| 258 | GEN WB25T10075 |
| 259 | OV LAMP LENS LWR |
| 261 | WB24T10147 GE Oven SPDT Light Switch |
| 264 | WB07T10516 GE Oven Front Trim Assembly |
| 268 | WB02T10415 GE Oven Anti-Tip Bracket Assembly |
| 272 | WB02T10034 GE Oven Body Side Support |
| 273 | GEN WB02K5365 |
| 277 | WB10T10068 GE Oven Hinge Receiver |
| 282 | WB38X33648 GE Vent Tube |
| 283 | WB28T10217 GE Radiant Vent Tube |
| 472 | WB49T10007 GE Side Reflector |
| 489 | WB02T10509 GE Bake Element Reflector Pan |
| 578 | WB27T10662 GE Oven Capacitor |
| 752 | WB1K5200 GE Oven Screw 340531 |
| 755 | WD2X430 GE Dishwasher Screw |
| 760 | WB1X536 GE Oven Screw |
| 801 | WB1M1 GE Oven Screw |
| 809 | WB1X1137 GE Oven Screw |
| 875 | WH2X930 GE Screw |
| 875 | WZ4X245D GE Screw Package |
| 935 | WB01T10112 GE Washer Aluminum |
| 995 | GEN WB18T10485 |
| 995 | GEN WB18T10471 |
| 1005 | WB01T10008 GE Oven Screw 10-32 |