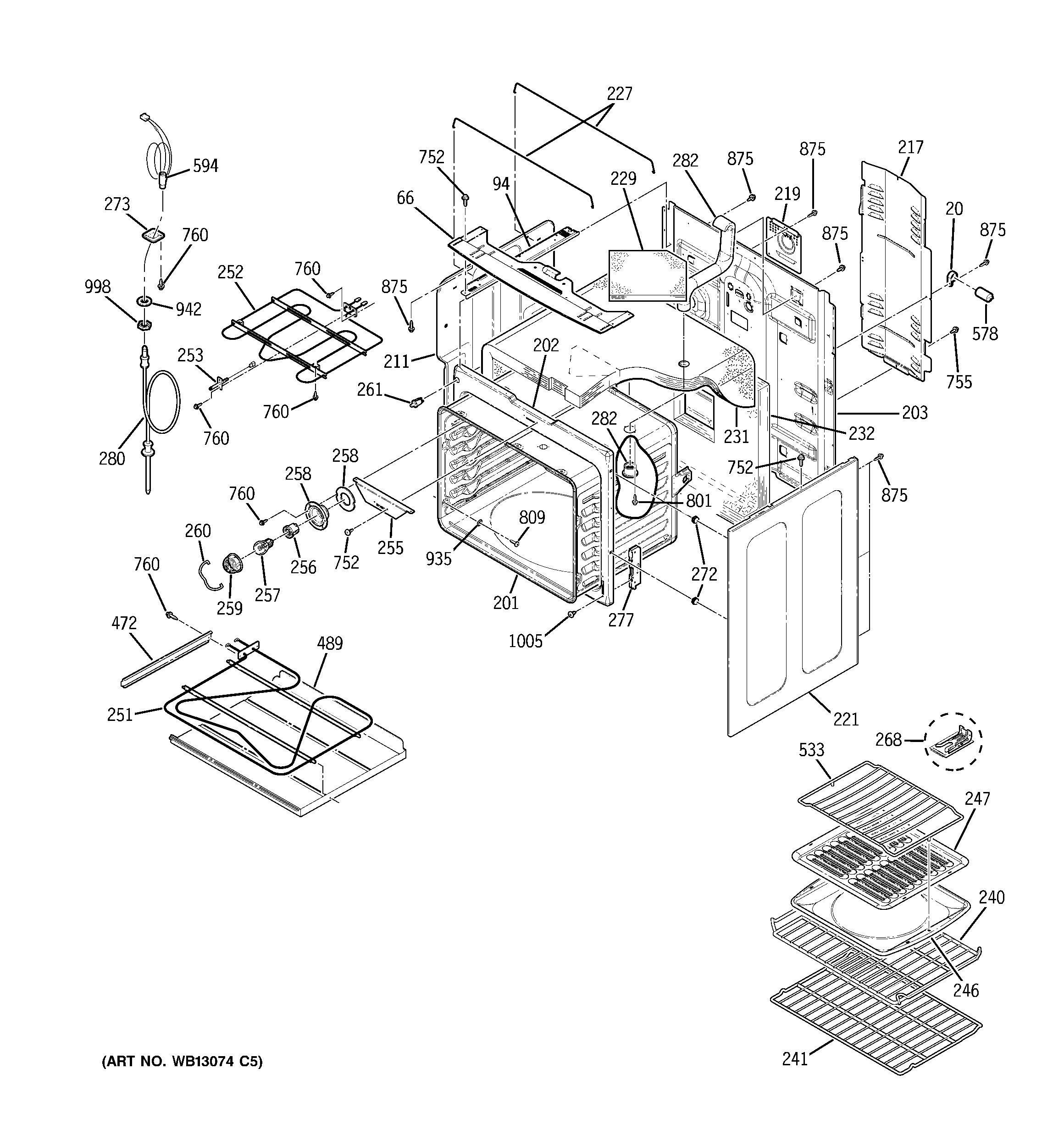
JB910SK2SS BODY PARTS

JB910SK2SS BODY PARTS

Products

PositionProduct
20WB02T10194 GE Capacitor Bracket
20WB02T10046 GE Oven Crystal Retainer
66GEN WB34T10083
94WB02T10463 GE Oven Radiant Chassis Brace
94WB34X26004 GE Range Radiant LT Chassis BR
201GEN WB63T10099
202GEN WB63T10096
203GEN WB63T10047
211GEN WB02T10275
217WB34T10128 GE Oven Back Cover
219COVER RECEPTACLE
221WB56X28881 GE Oven Side Panel Black
227GEN WB02T10196
227GEN WB02T10252
229WB35T10017 GE Oven Vent Tube Insulation
229GEN WB35T10087
231WB35T10211 GE Oven Insulation
232GEN WB35T10023
240GEN WB48T10032
241GEN WB48T10033
246WB48X10056 GE Broil Pan Set, Large Porcelain
251WB44X45499 GE Oven Bake Element
252WB44T10012 GE Oven Broil Element
253WB21X22134 GE Oven Sensor Assembly
255GEN WB07T10109
256WB08T10026 GE Range Push-In Receptacle
257RANGE ONLY 40W 120V APPL BULB
258WB02T10027 GE Oven Gasket
258WB02T10037 GE Oven Light Cup
259WB36X192 GE Oven Light Cover
260GEN WB02X7694
261WB24T10147 GE Oven SPDT Light Switch
268WB02T10415 GE Oven Anti-Tip Bracket Assembly
272WB02T10034 GE Oven Body Side Support
273PROBE COVER
273GEN WB02X8309
277WB10T10068 GE Oven Hinge Receiver
280WB20T10024 GE Oven Thermistor Probe
282WB38X33648 GE Vent Tube
282GEN WB38T10022
472WB49T10007 GE Side Reflector
489WB02T10509 GE Bake Element Reflector Pan
533WB48X5108 GE Oven Roasting Rack
578WB27T10662 GE Oven Capacitor
594JACK RECEPTACLE
752WB1K5200 GE Oven Screw 340531
755WZ4X44D GE Screw Package
760WB1X536 GE Oven Screw
801WB1M1 GE Oven Screw
809WB1X1137 GE Oven Screw
875WZ4X245D GE Screw Package
875WH2X930 GE Screw
935WB1K5174 GE Oven Washer
942WB1X5573 GE Oven Washer
998WB1X5572 GE Oven Nut
1005WB01T10008 GE Oven Screw 10-32