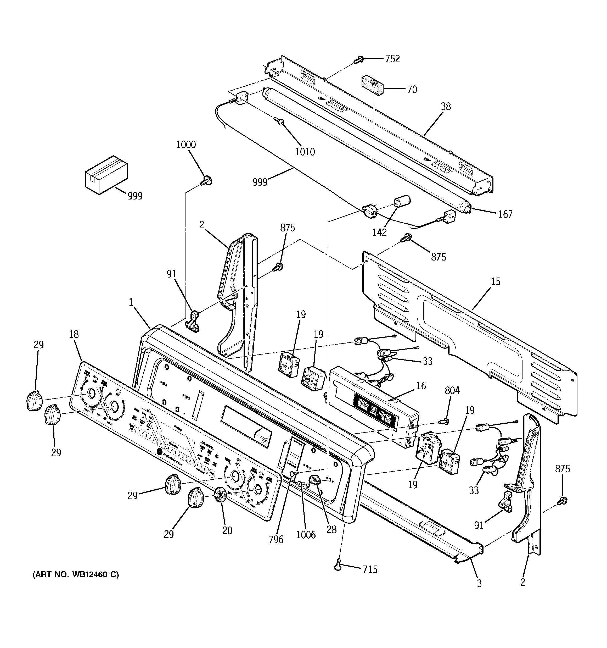
| 1 | GEN WB36T10310 |
| 2 | GEN WB36T10294 |
| 2 | GEN WB36T10295 |
| 3 | GEN WB02T10022 |
| 15 | GEN WB34T10020 |
| 16 | GEN WB27T10216 |
| 18 | GEN WB50T10027 |
| 19 | SWITCH INFINITE CONTROL |
| 19 | WB24T10063 GE Range Cooktop Infinite Burner Switch |
| 19 | WB24T10012 GE Oven Infinite Switch |
| 20 | WB02T10046 GE Oven Crystal Retainer |
| 28 | WB02T10047 GE Oven Crystal Mount Assembly |
| 29 | GEN WB03T10095 |
| 33 | GEN WB25T10019 |
| 33 | GEN WB25T10020 |
| 38 | GEN WB36T10252 |
| 70 | GEN WB02T10045 |
| 91 | GEN WB10T10002 |
| 142 | GEN WB06K0007 |
| 167 | FLUORESCENT LAMP |
| 715 | WD2X434 GE Dishwasher Trim Screw |
| 752 | WB1K5200 GE Oven Screw 340531 |
| 796 | WB1K5116 GE Oven Screw |
| 804 | WB1X681 GE Oven Screw |
| 875 | WH2X930 GE Screw |
| 875 | WZ4X245D GE Screw Package |
| 999 | GEN 31-10414 |
| 999 | PM10X310 GE Cerama Bryte Cooktop Cleaner |
| 999 | GEN 49-80066 |
| 999 | GEN 31-10463 |
| 999 | GEN 31-13819 |
| 1000 | WB01T10016 GE Oven Screw 8-18 AB Hex |
| 1006 | WB01T10053 GE Oven 8-32 TPT FLR Screw |
| 1010 | GEN WB01T10029 |