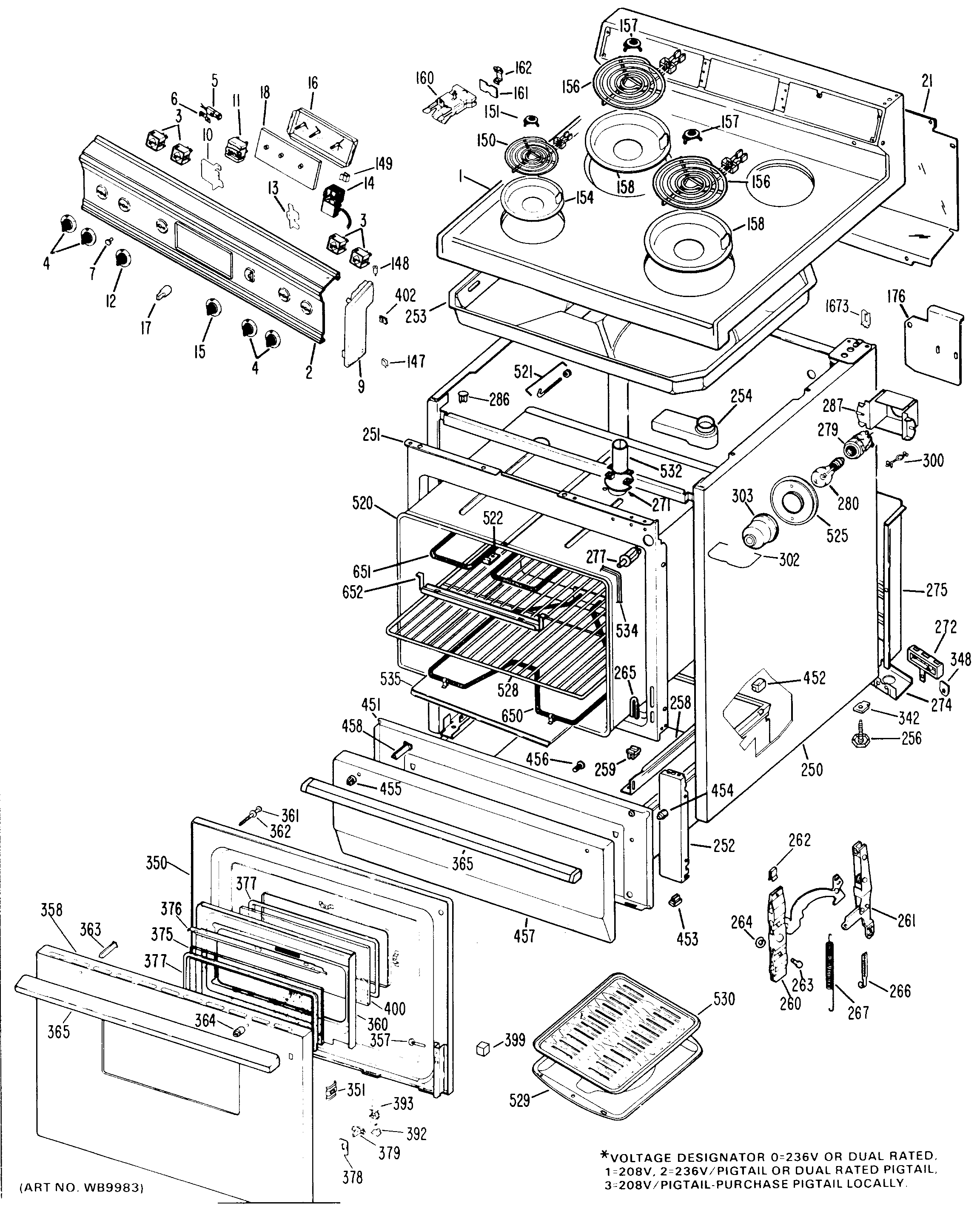
| 1 | GEN WB62X5304 |
| 1 | GEN WB62X1469 |
| 1 | GEN WB62X1472 |
| 1 | GEN WB62X1473 |
| 1 | GEN WB62X5305 |
| 2 | GEN WB07X6833 |
| 3 | WB21X36771 GE Surface Element Switch |
| 4 | GEN WB03X5640 |
| 5 | NEON LAMP 118V |
| 6 | CLIP MTG LAMP |
| 7 | WB25X65 GE Oven Light Indicator |
| 9 | GEN WB07X6832 |
| 9 | GEN WB07X6831 |
| 10 | GEN WB02X7305 |
| 11 | GEN WB22X5131 |
| 12 | GEN WB03X5643 |
| 13 | GEN WB02X7306 |
| 14 | GEN WB21X5208 |
| 14 | GEN WB02X1394 |
| 15 | GEN WB03X5642 |
| 16 | GEN WB19X0146 |
| 17 | WB3X5699 GE Oven Timer Knob Kit |
| 18 | GEN WB36X0404 |
| 21 | GEN WB49X0390 |
| 147 | GEN WB01X0578 |
| 148 | GEN WB01X5682 |
| 149 | GEN WB02X2901 |
| 150 | WB30X218 GE Range Cooktop Burner Unit 6 Inch |
| 151 | GEN WB32X0052 |
| 154 | GEN WB31X5010 |
| 156 | WB30X219 GE Range Cooktop Burner Unit 8 Inch |
| 157 | GEN WB32X0051 |
| 158 | WB31X5011 GE Oven 8" Chrome Drip Bowl |
| 160 | RR122 Supco Receptacle WB17X5051 |
| 160 | SCREW RECEPT TERMINAL |
| 161 | GEN WB02X6171 |
| 162 | CLIP INSULATOR |
| 176 | GEN WB49X0391 |
| 251 | GEN WB56X1348 |
| 252 | GEN WB49X0322 |
| 253 | GEN WB49X0341 |
| 254 | GEN WB38X0050 |
| 256 | LEVELING LEG |
| 258 | GEN WB39X0051 |
| 259 | SLIDE GUIDE |
| 260 | GEN WB10X5148 |
| 261 | GEN WB10X0149 |
| 261 | GEN WB10X0148 |
| 263 | GEN WB02X6195 |
| 264 | RING RETAINING |
| 265 | GEN WB02X6342 |
| 266 | HOOK DOOR SPRING |
| 267 | GEN WB09X5100 |
| 271 | BAFFLE |
| 272 | WB17X5095 GE Black Oven Terminal |
| 274 | KNOCKOUT PLATE |
| 275 | GEN WB59X0173 |
| 277 | SWITCH, OVEN LIGHT |
| 279 | GEN WB08X0191 |
| 280 | RANGE ONLY 40W 120V APPL BULB |
| 287 | GEN WB02X3447 |
| 300 | GEN WB02X7052 |
| 302 | GEN WB02X2885 |
| 303 | WB36X192 GE Oven Light Cover |
| 342 | GEN WB02X7524 |
| 348 | PLATE GROUND |
| 350 | GEN WB55X0382 |
| 351 | SPACER DOOR |
| 357 | WB1X558D GE Oven Screw Package |
| 358 | GEN WB02X3140 |
| 358 | GEN WB56X5980 |
| 358 | GEN WB56X5979 |
| 358 | GEN WB56X1473 |
| 358 | GEN WB56X1472 |
| 358 | GEN WB56X1469 |
| 360 | GEN WB49X0384 |
| 361 | GEN WZ04X0423 |
| 362 | WB1X119D GE Oven Range Washer |
| 363 | SPACER PANEL |
| 364 | GEN WB02X3245 |
| 365 | GEN WB15X0148 |
| 375 | GEN WB36X0430 |
| 377 | GEN WB07X1031 |
| 378 | TRIM PLATE LOWER OVEN |
| 379 | GEN WB02X5410 |
| 392 | CAM LINK |
| 393 | GEN WB09X5083 |
| 397 | SCREW MTG END CAP |
| 399 | GEN WB02X3285 |
| 400 | GEN WB36X0526 |
| 402 | GEN WB01X0591 |
| 409 | GEN WB02X3470 |
| 440 | GEN WB01X0585 |
| 451 | GEN WB58X0050 |
| 452 | SLIDE TOP |
| 453 | SLIDE BOTTOM |
| 453 | GEN WB02X3394 |
| 454 | GEN WB02X0584 |
| 455 | GEN WBO1X0560 |
| 456 | GEN WZ04X0395 |
| 457 | GEN WB56X1396 |
| 457 | GEN WB56 |