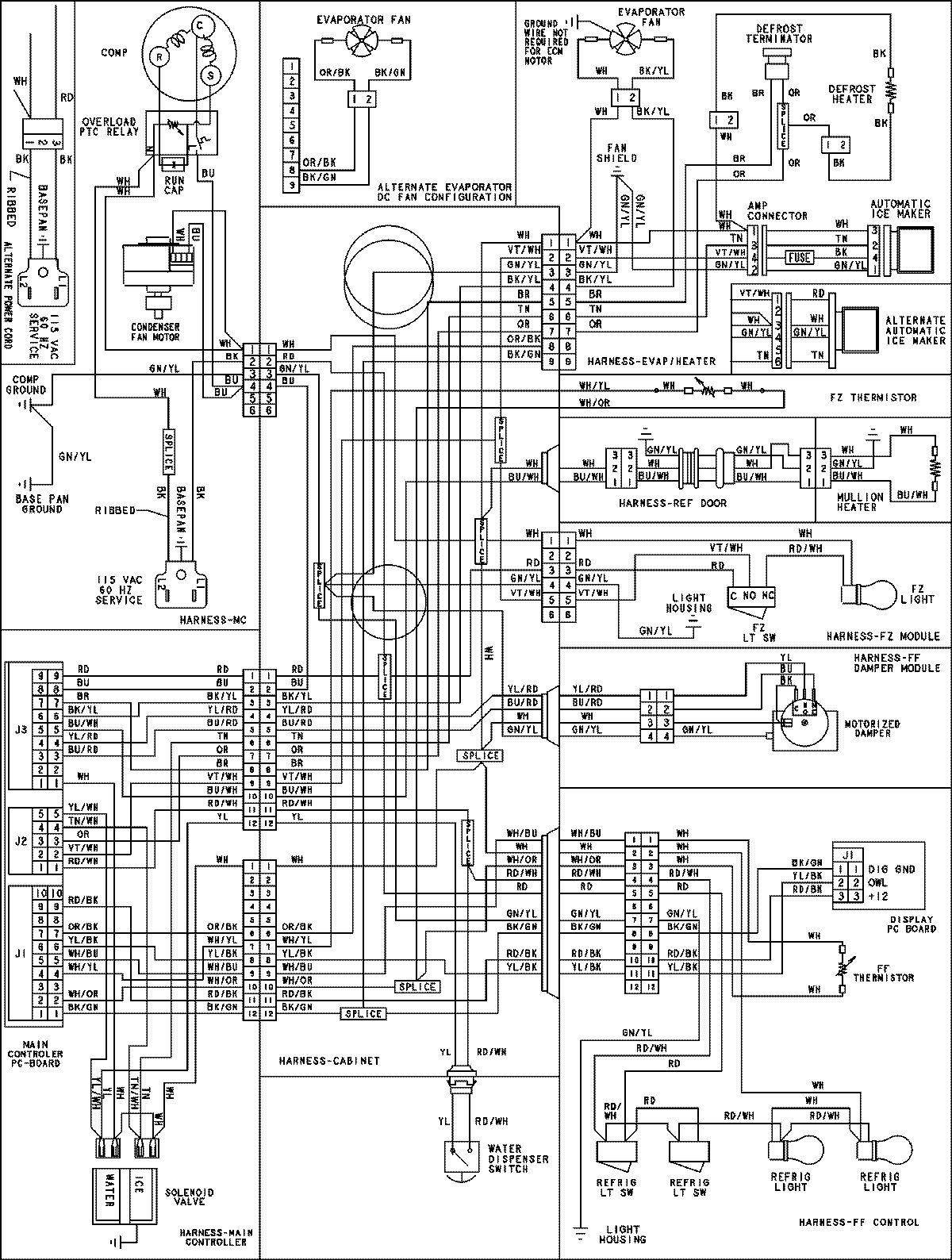
JBD2286KEB 15 – WIRING INFORMATIONadmin2025-04-26T09:15:15+00:00JBD2286KEB 15 – WIRING INFORMATION ProductsPositionProductNIMAY 15003912