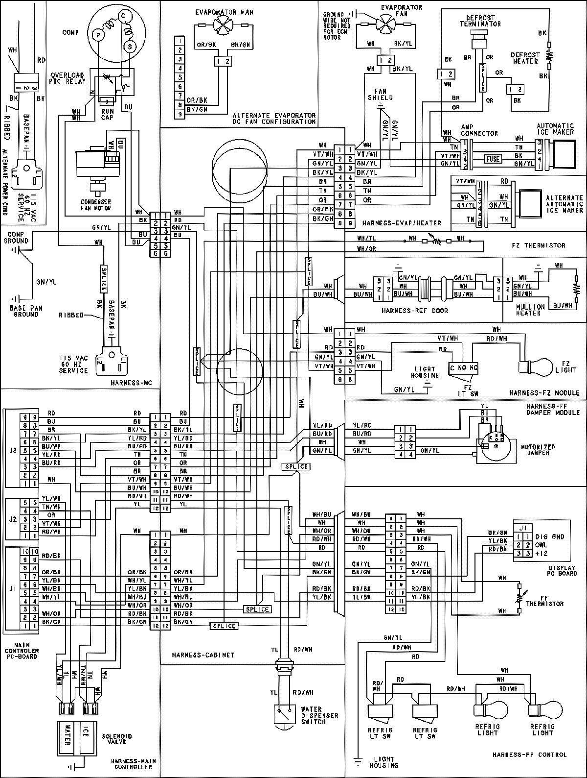
JBL2286KES 15 – WIRING INFORMATIONadmin2025-04-26T09:16:41+00:00JBL2286KES 15 – WIRING INFORMATION ProductsPositionProductNIMAY 15003912