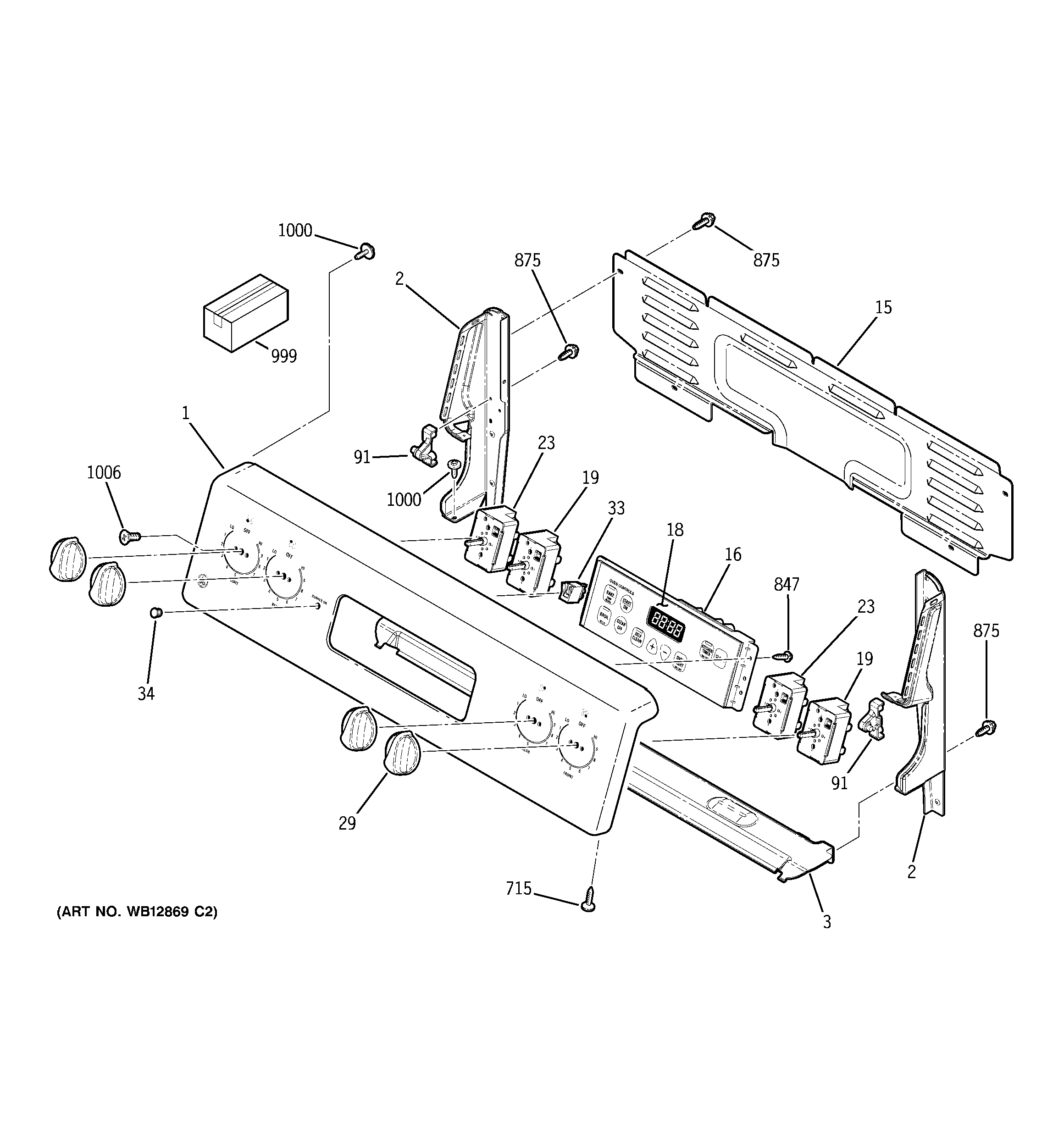
JBP23SN1SS CONTROL PANEL