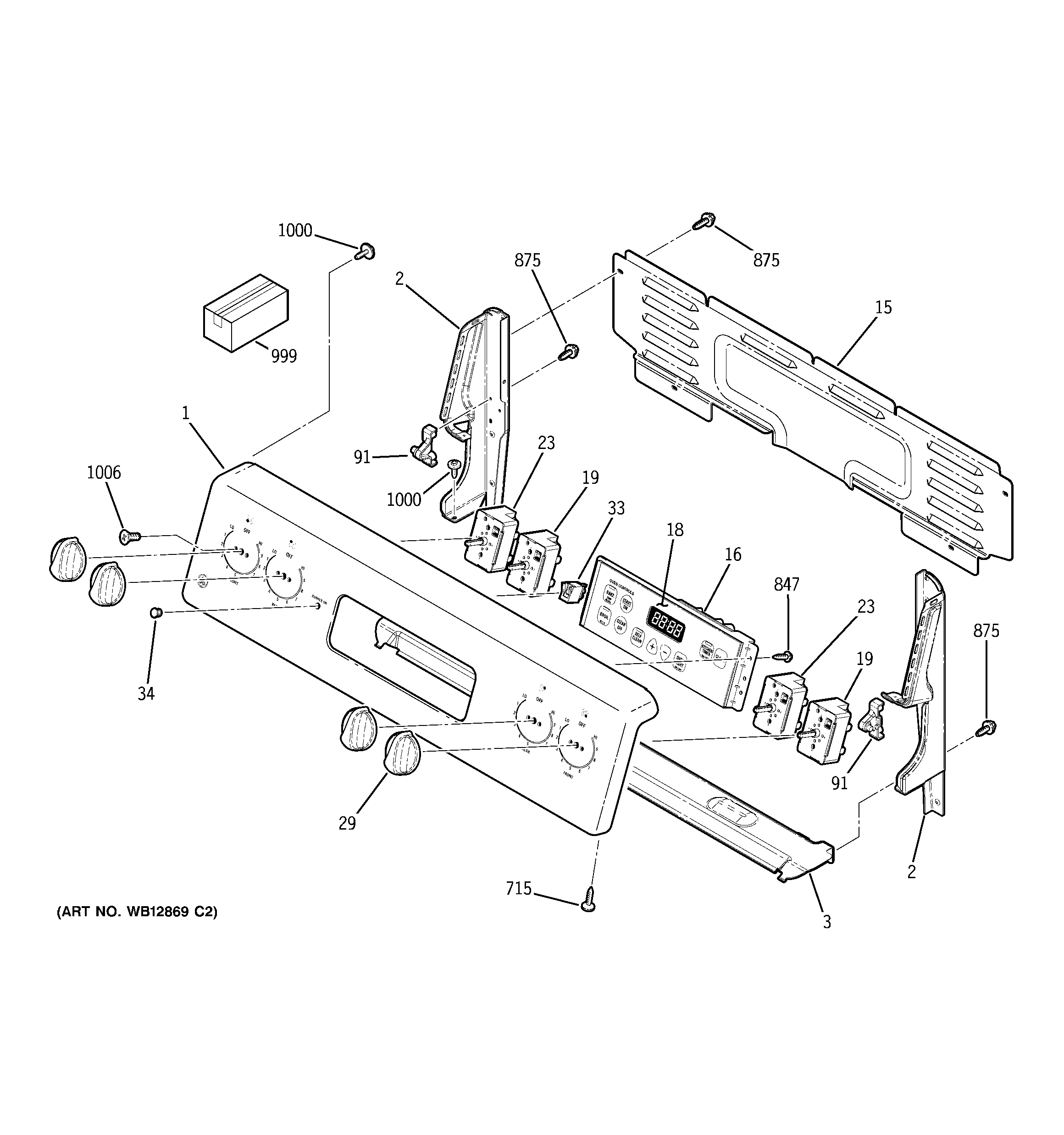
JBP25DK1WH CONTROL PANEL