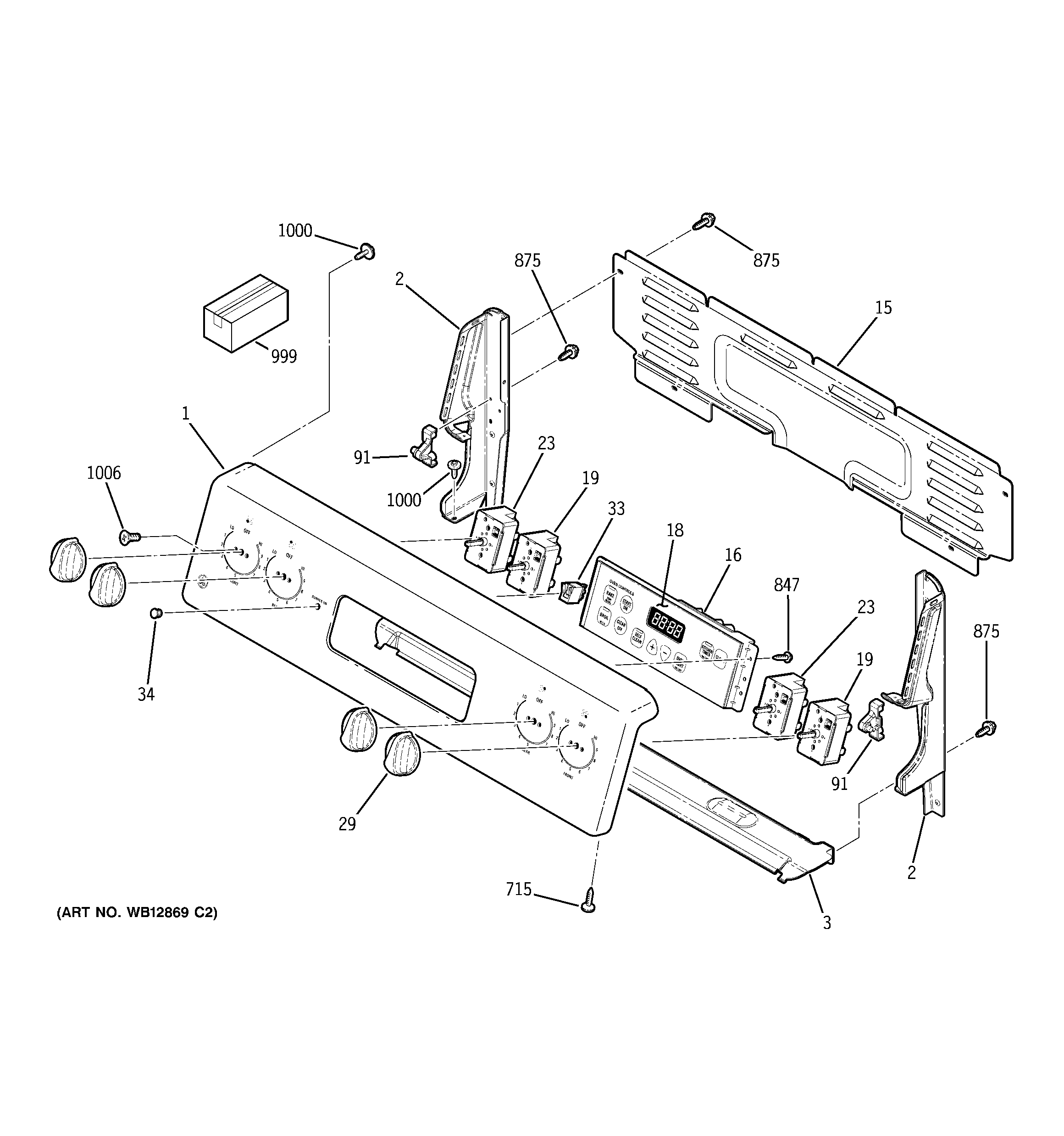
JBP25DK3WH CONTROL PANEL