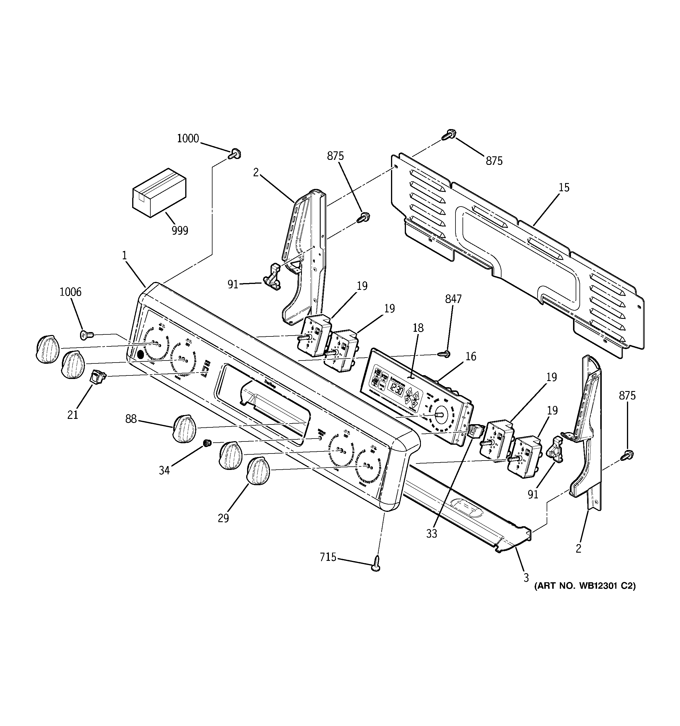
JBP26ED2BB CONTROL PANEL