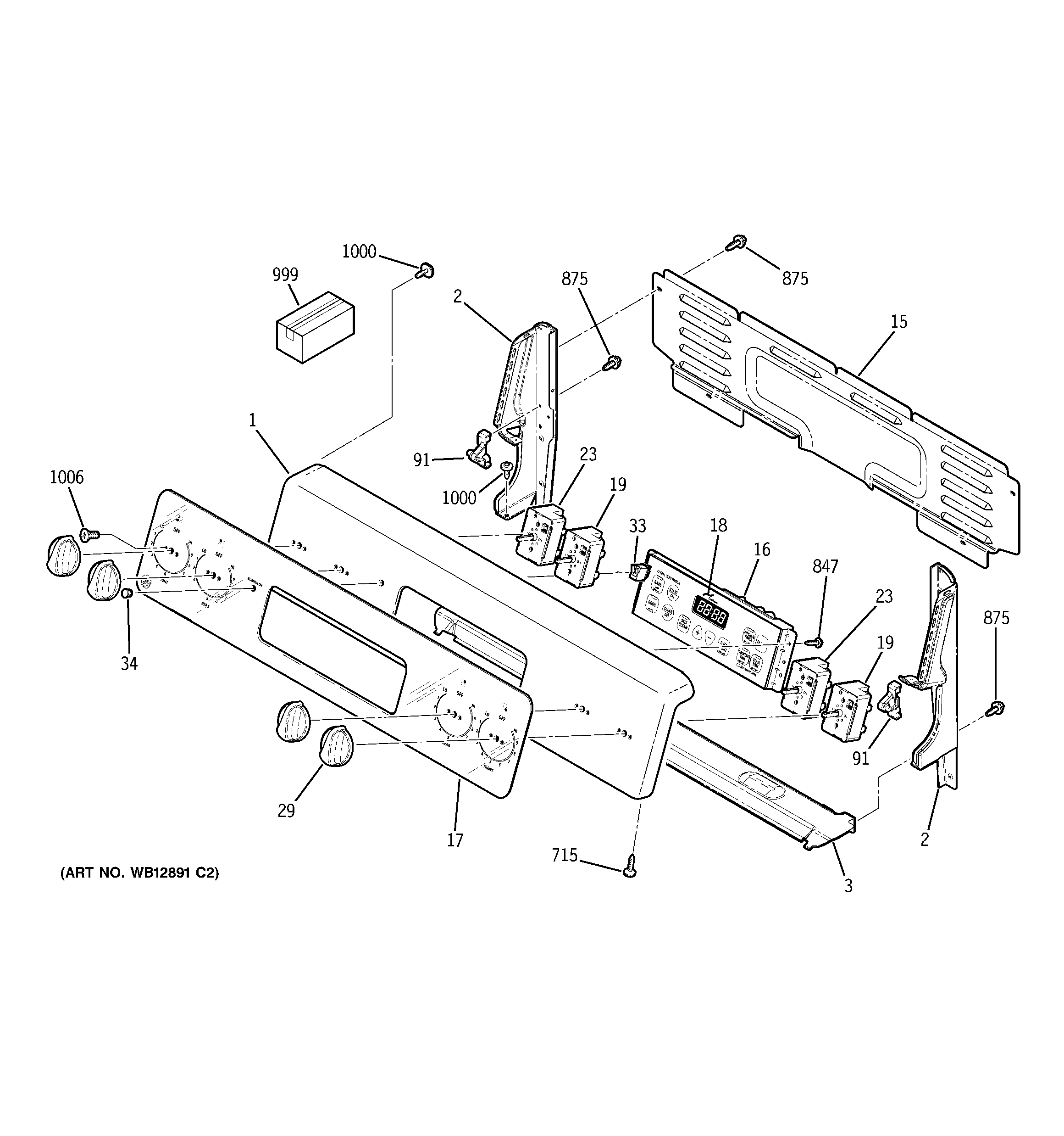
JBP35GJ2SS CONTROL PANEL