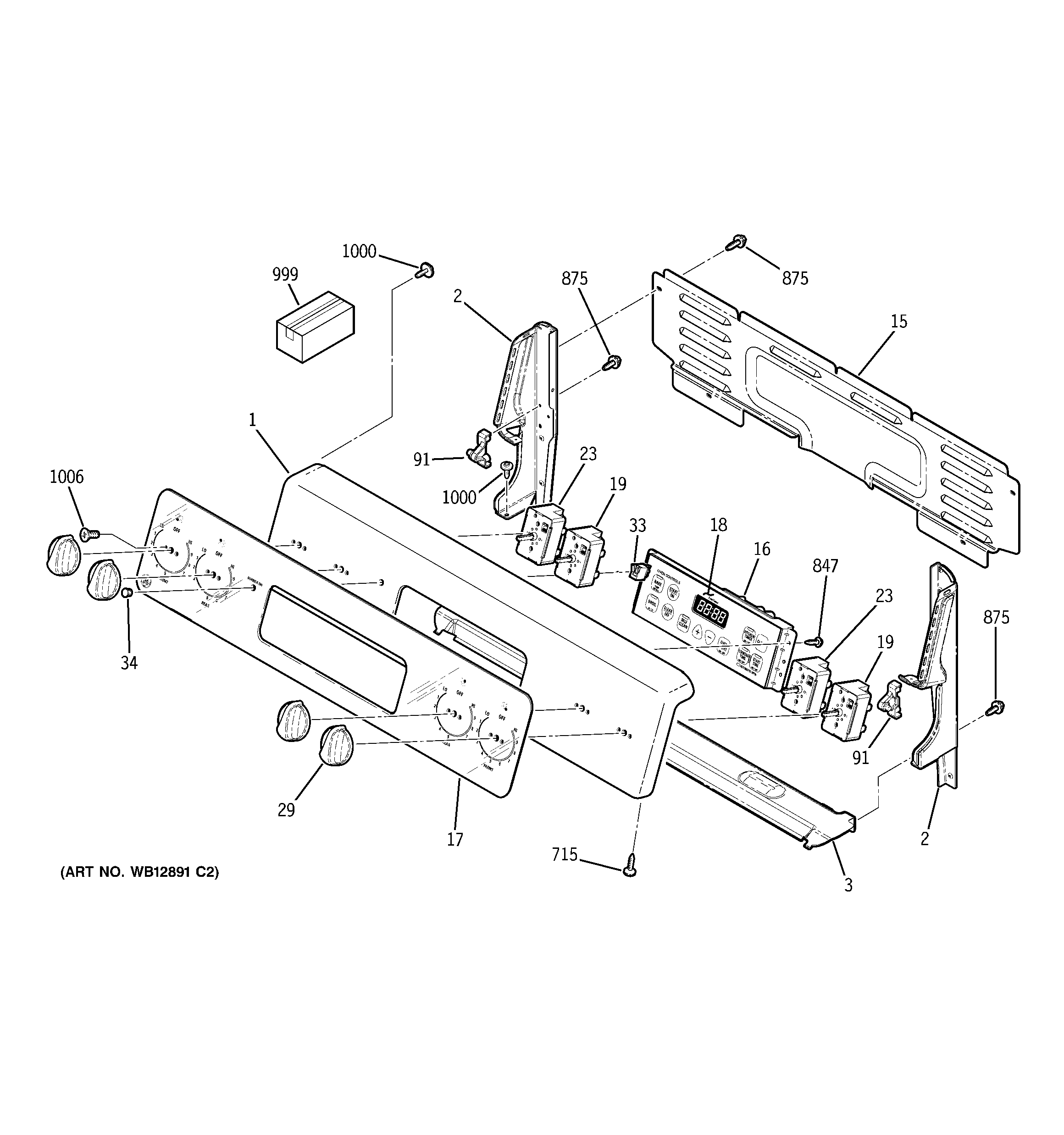
JBP35SH3SS CONTROL PANEL