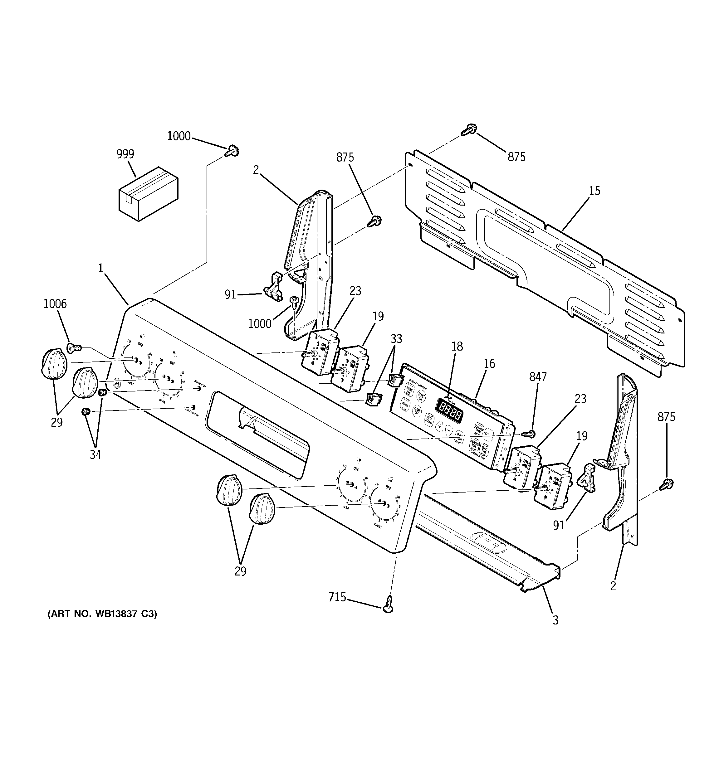
| 1 | GEN WB36T11172 |
| 2 | GEN WB36T11040 |
| 2 | WB36T11039 GE Oven End Plate Right (Black) |
| 3 | GEN WB02T10525 |
| 15 | COVER CONTROL |
| 16 | CONTROL OVEN TO9 (ELEC) |
| 18 | WB27T11005 GE Oven Faceplate Graphics Black |
| 19 | WB24T10025 SWITCH INFIN(2500W) |
| 23 | WB24T10029 GE Oven Infinite Burner Switch |
| 29 | KNOB INFINITE (BK) |
| 33 | WB27T10626 GE Oven Indicator Light Pilot |
| 34 | WB25T10041 GE Oven Lens |
| 91 | GEN WB10T10125 |
| 715 | WB1X500D GE Oven Screw Package |
| 847 | WB1K5186 GE Oven Screw 6-32 X 3/5" 1/4" Hex D |
| 847 | WB02T10324 GE Oven Screw 6-20 GXB IHXW 3/8 NI |
| 875 | WZ4X245D GE Screw Package |
| 875 | WH2X930 GE Screw |
| 999 | INSTR INSTALL OVN DOOR |
| 999 | GEN 31-14544 |
| 999 | GEN 49-80632 |
| 999 | GEN 31-10780 |
| 1000 | GEN WH02X0941 |
| 1006 | WB01T10053 GE Oven 8-32 TPT FLR Screw |