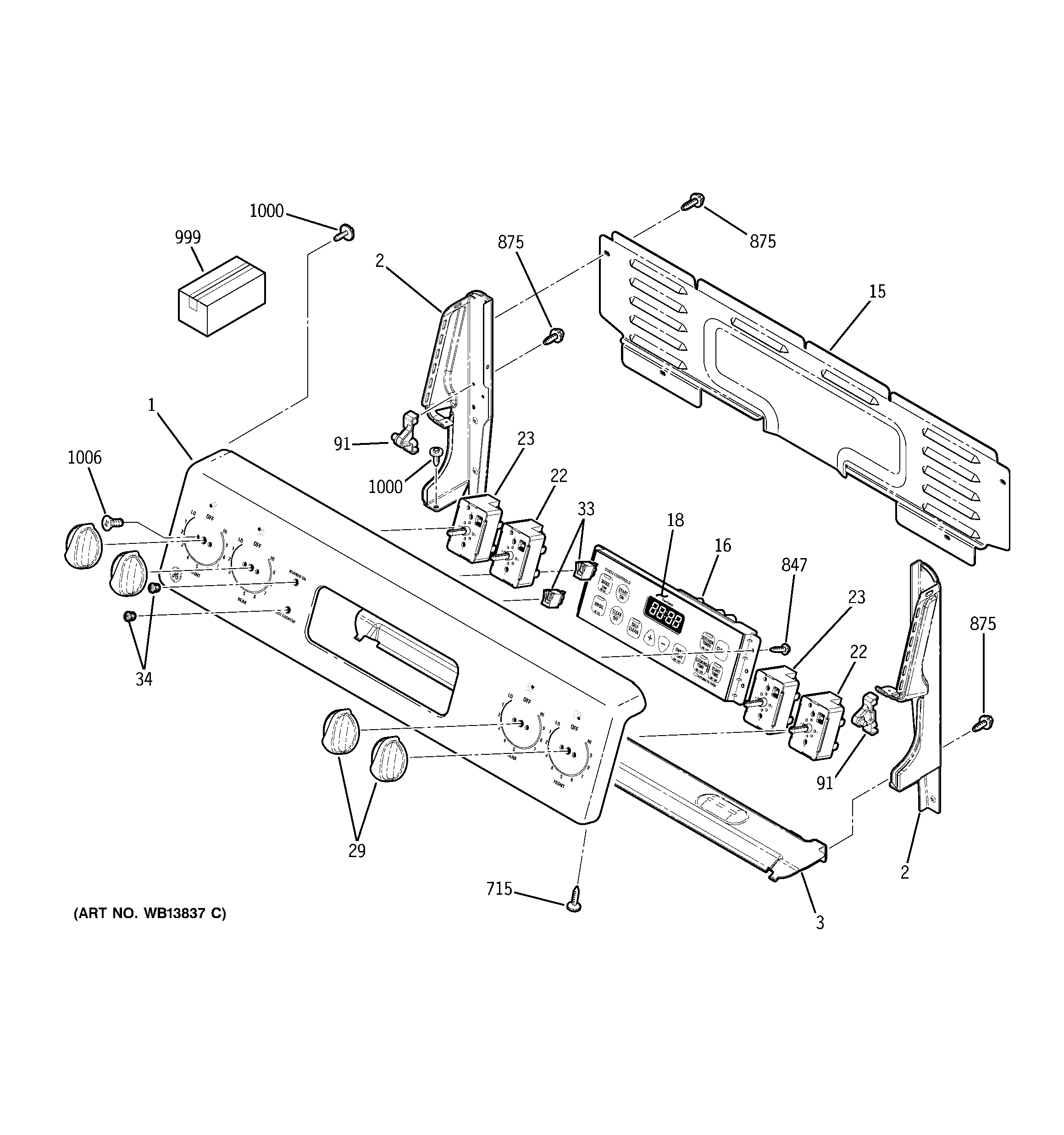
| 1 | GEN WB27T10782 |
| 2 | GEN WB36T10254 |
| 2 | END CAP LEFT/BLACK |
| 3 | GEN WB02T10306 |
| 15 | GEN WB34T10088 |
| 16 | CONTROL OVEN TO9 (ELEC) |
| 18 | GEN WB27T10686 |
| 22 | WB24T10029 GE Oven Infinite Burner Switch |
| 23 | WB24T10027 GE Oven Range Cooktop Top Burner Infinite Switch 2100W |
| 29 | GEN WB03T10203 |
| 33 | WB27T10626 GE Oven Indicator Light Pilot |
| 34 | WB25T10041 GE Oven Lens |
| 91 | GEN WB10T10002 |
| 715 | WD2X432 GE Dishwasher Screw |
| 847 | WB1X1118 GE Oven Screw 6-32T |
| 875 | WH2X930 GE Screw |
| 875 | WZ4X245D GE Screw Package |
| 999 | GEN 49-80366 |
| 999 | GEN 31-14417 |
| 999 | PM10X310 GE Cerama Bryte Cooktop Cleaner |
| 999 | GEN 31-10620 |
| 999 | INSTR INSTALL OVN DOOR |
| 1000 | WB01T10016 GE Oven Screw 8-18 AB Hex |
| 1006 | WB01T10053 GE Oven 8-32 TPT FLR Screw |