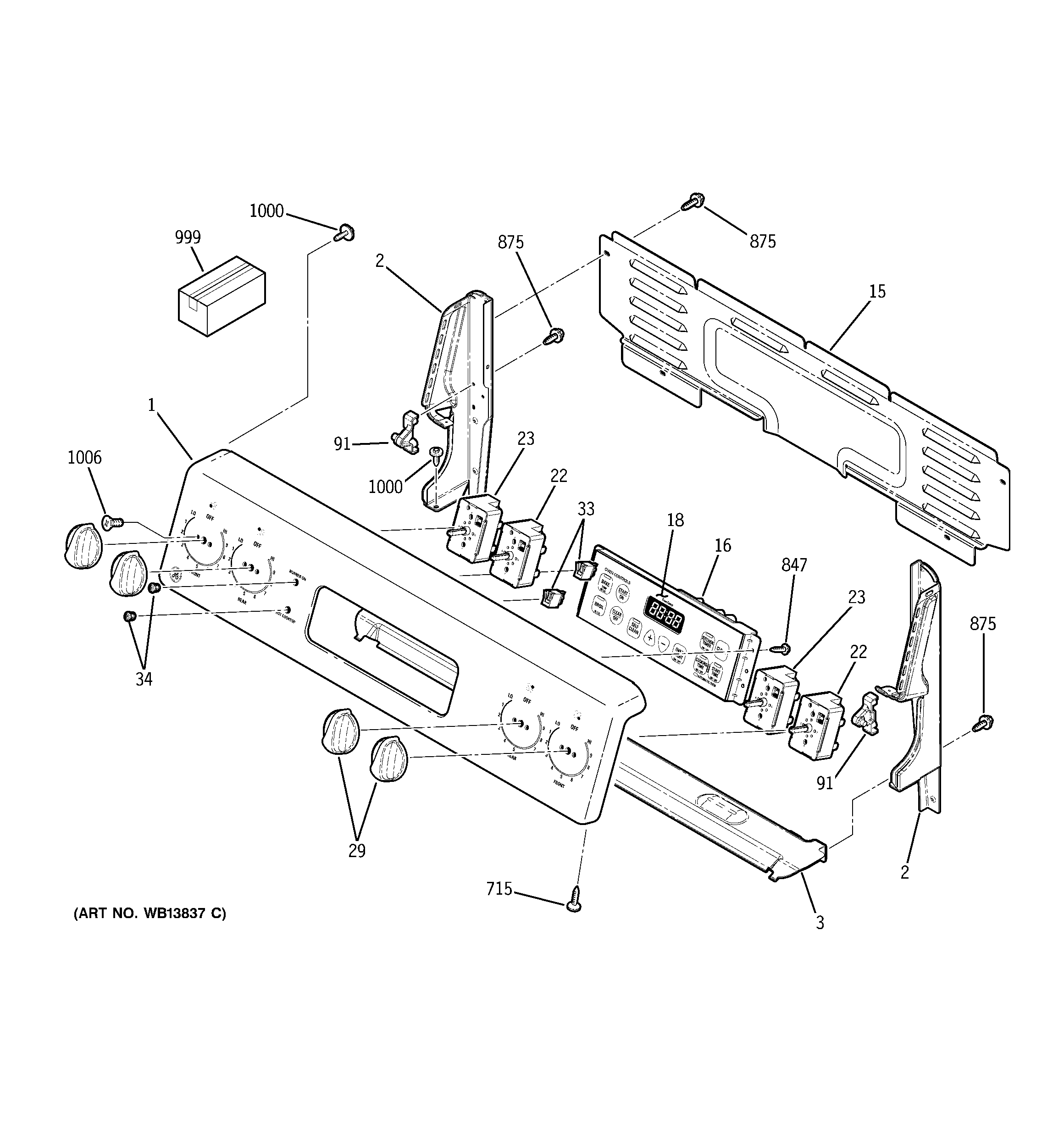
JBP65MK3BS CONTROL PANEL