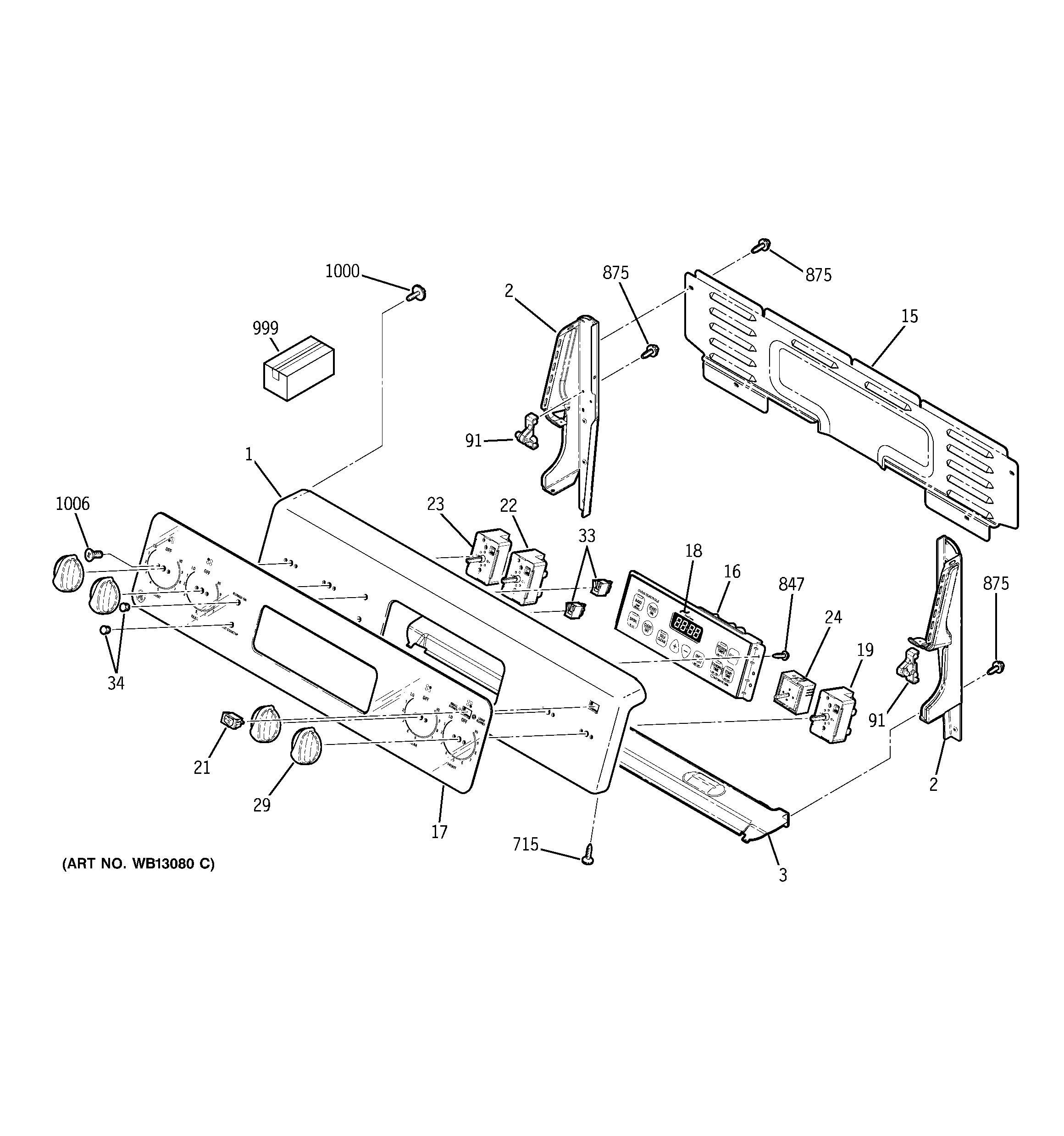
JBP67SH2SS CONTROL PANEL