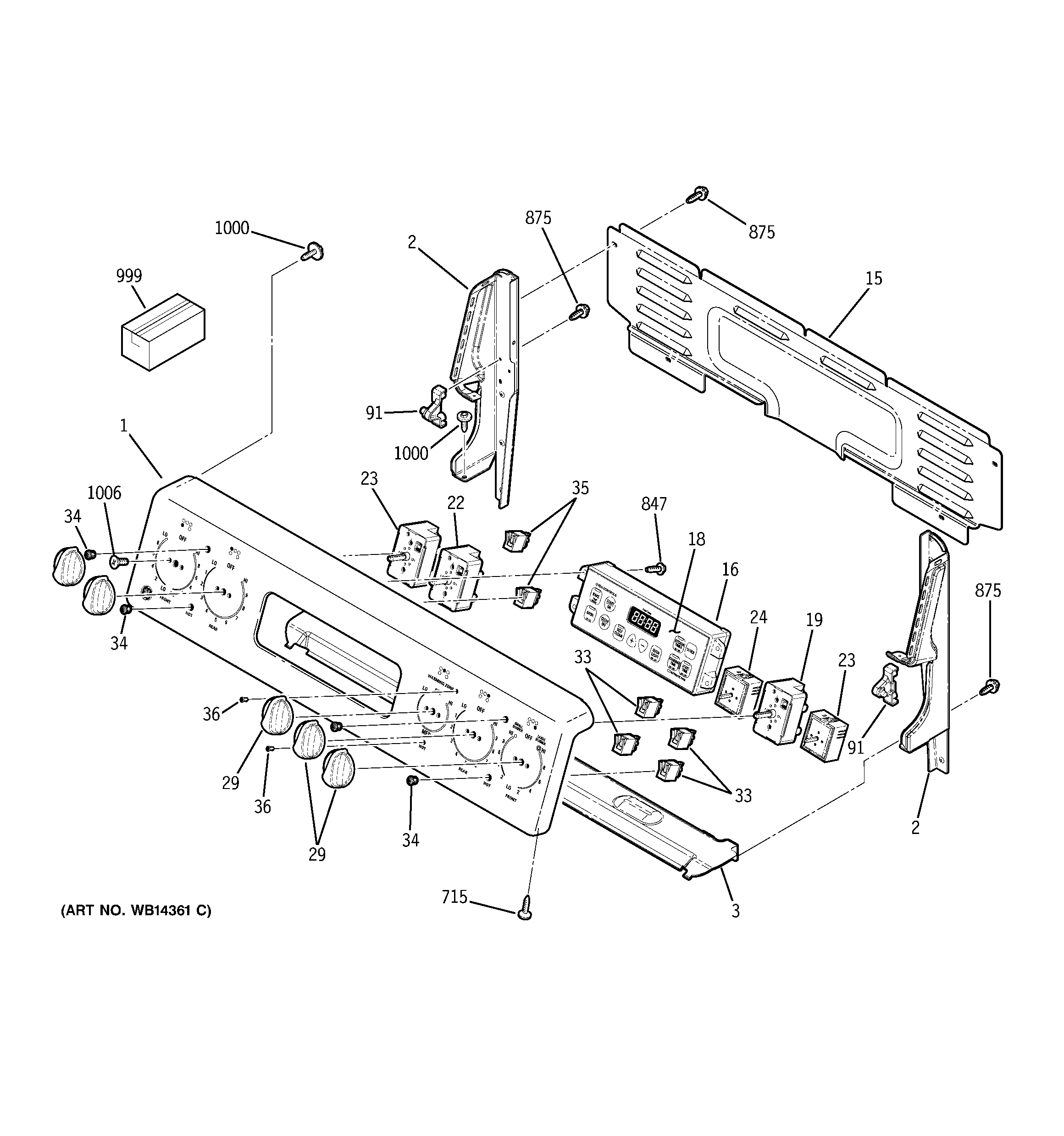
JBP71SM1SS CONTROL PANEL