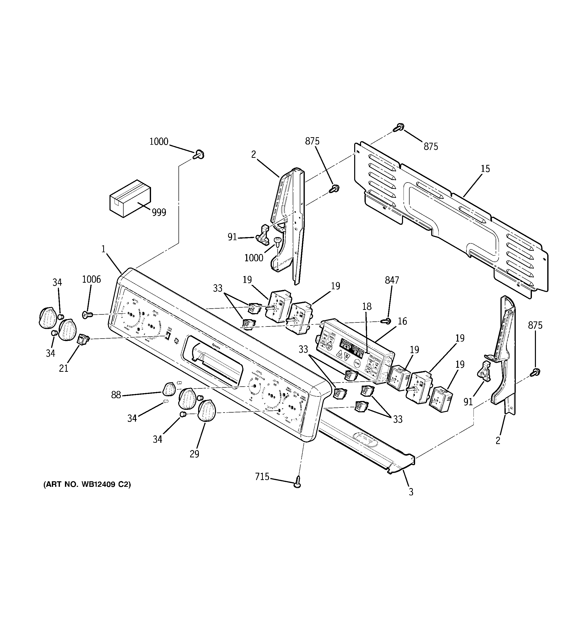
JBP80KF2CC CONTROL PANEL