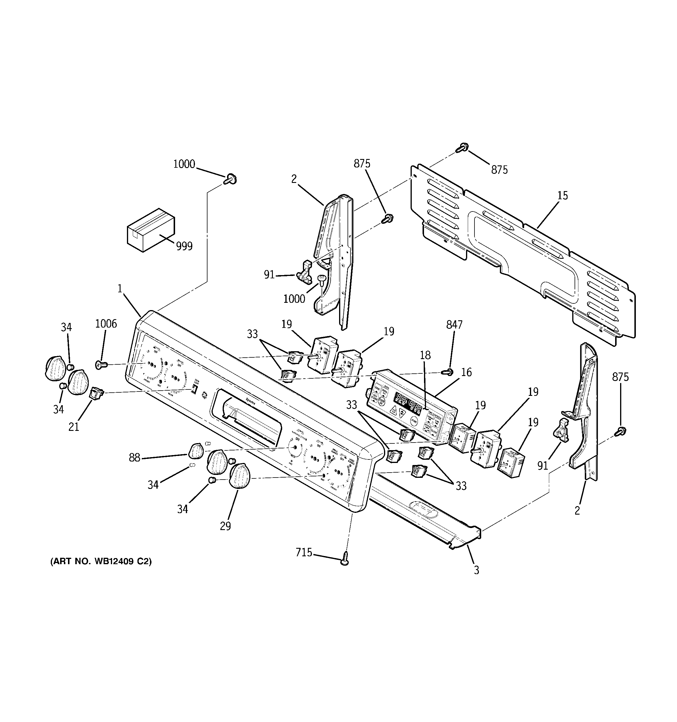
JBP80WF2WW CONTROL PANEL