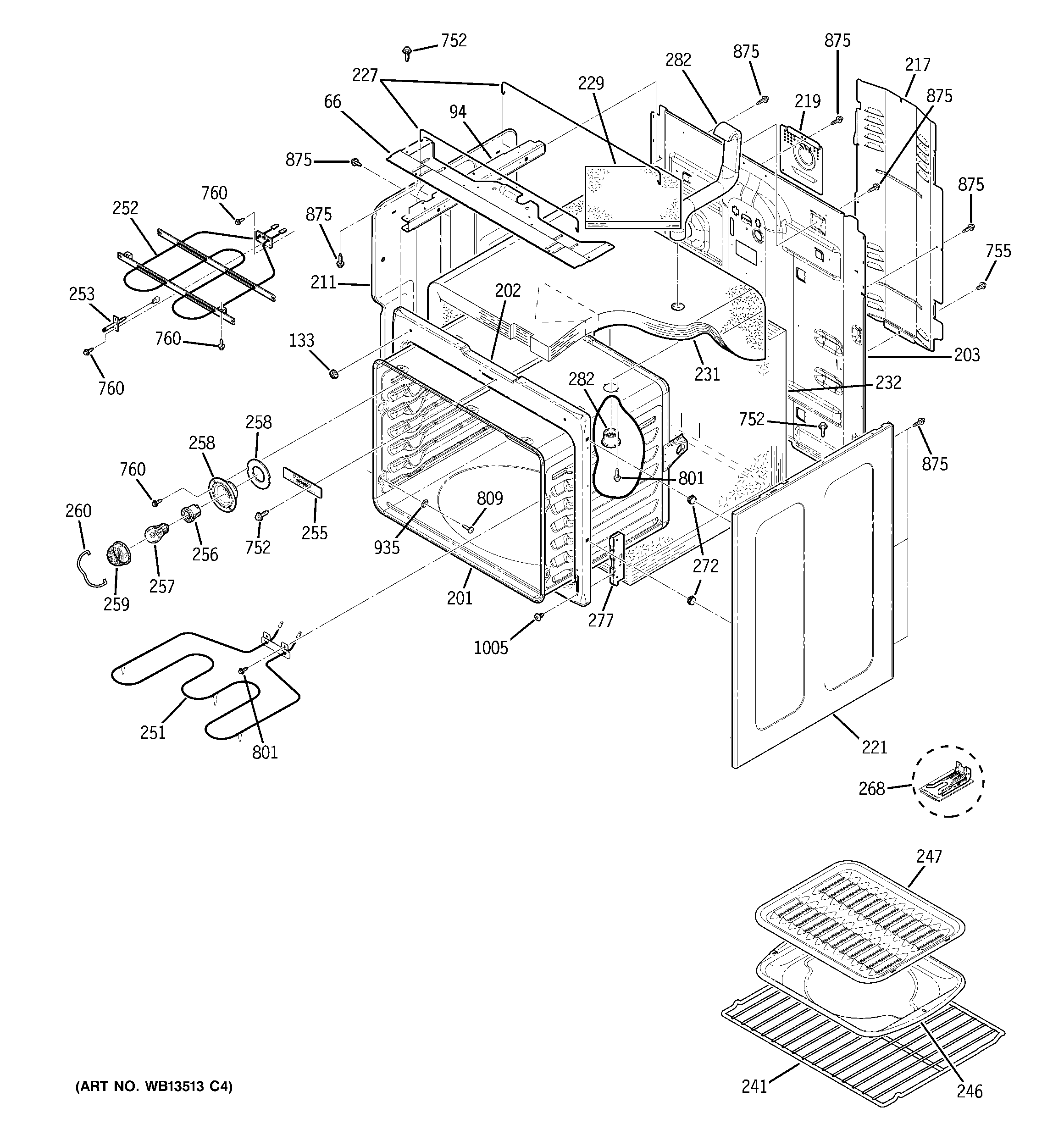
| 66 | ENCLOSURE RANGETOP |
| 94 | WB34X26004 GE Range Radiant LT Chassis BR |
| 94 | WB02T10463 GE Oven Radiant Chassis Brace |
| 133 | WB01T10052 GE Oven Foam Tape |
| 133 | WB01T10026 GE Oven Door Pad |
| 201 | WB63X20942 GE Oven Body Weld Assembly |
| 202 | FRAME FRONT |
| 203 | GEN WB63T10047 |
| 211 | GEN WB02T10275 |
| 217 | WB34T10128 GE Oven Back Cover |
| 219 | COVER RECEPTACLE |
| 221 | GEN WB63T10110 |
| 227 | GEN WB02T10252 |
| 227 | GEN WB02T10196 |
| 229 | WB35T10017 GE Oven Vent Tube Insulation |
| 231 | WB35T10209 GE Oven Insulation |
| 232 | WB35T10113 GE Oven Insulation Assembly |
| 241 | GEN WB48T10028 |
| 246 | WB48X10056 GE Broil Pan Set, Large Porcelain |
| 251 | WB44T10011 GE Oven Bake Element |
| 252 | WB44T10009 GE Oven Broil Element |
| 253 | WB21X22134 GE Oven Sensor Assembly |
| 256 | WB08T10026 GE Range Push-In Receptacle |
| 257 | RANGE ONLY 40W 120V APPL BULB |
| 258 | WB02T10037 GE Oven Light Cup |
| 258 | WB02T10027 GE Oven Gasket |
| 259 | WB36X192 GE Oven Light Cover |
| 260 | GEN WB02X7694 |
| 268 | WB02T10415 GE Oven Anti-Tip Bracket Assembly |
| 272 | WB02T10034 GE Oven Body Side Support |
| 277 | WB10T10068 GE Oven Hinge Receiver |
| 282 | WB38X33648 GE Vent Tube |
| 282 | GEN WB38T10022 |
| 752 | WB1K5200 GE Oven Screw 340531 |
| 755 | WZ4X44D GE Screw Package |
| 760 | WB1X536 GE Oven Screw |
| 801 | WB1M1 GE Oven Screw |
| 809 | WB1X1137 GE Oven Screw |
| 875 | WH2X930 GE Screw |
| 875 | WZ4X245D GE Screw Package |
| 935 | WB1K5174 GE Oven Washer |
| 1005 | WB01T10008 GE Oven Screw 10-32 |