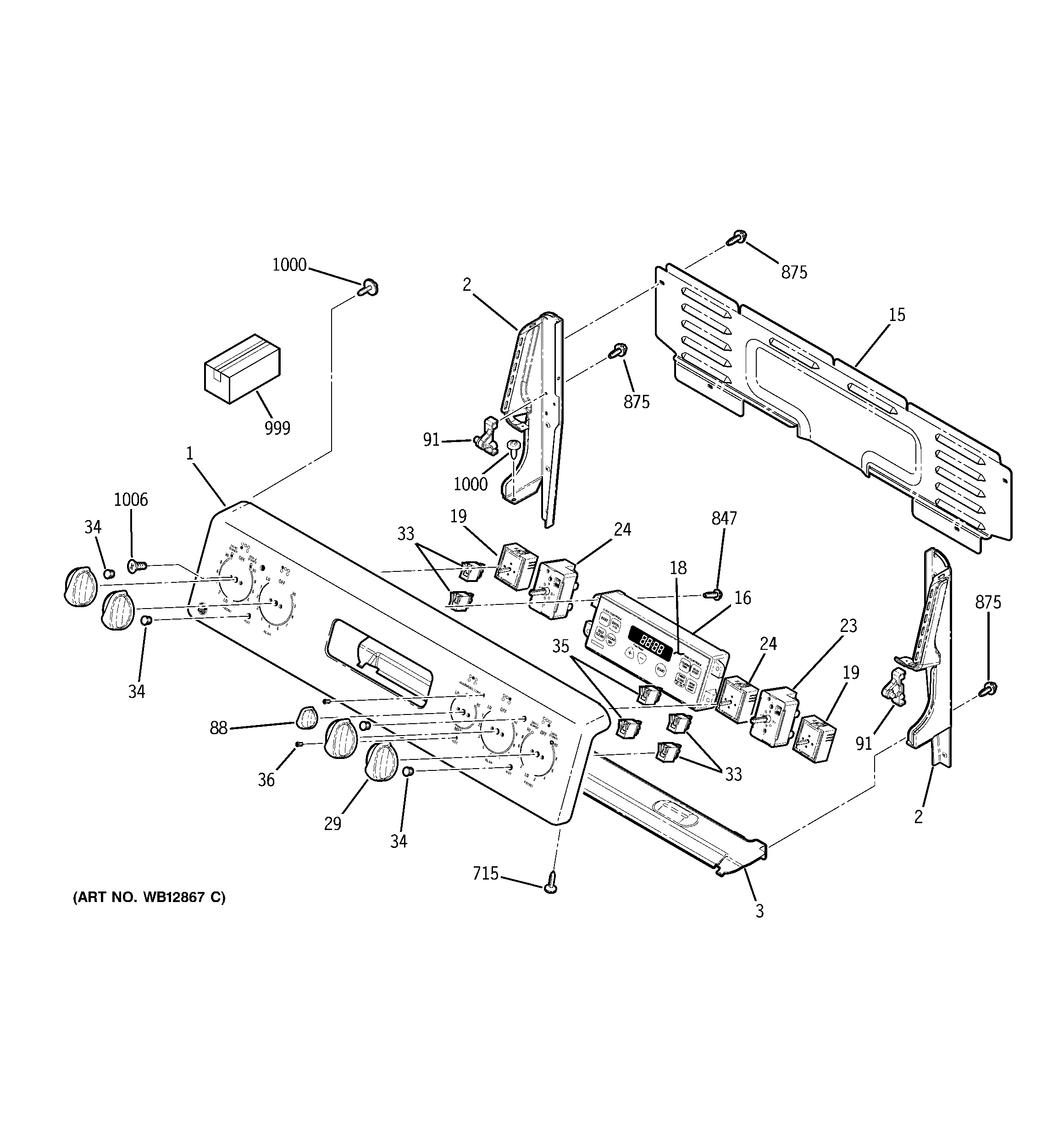
JBP82CH2CC CONTROL PANEL