JBP82KH3CC BODY PARTS

JBP82KH3CC BODY PARTS

Products

PositionProduct
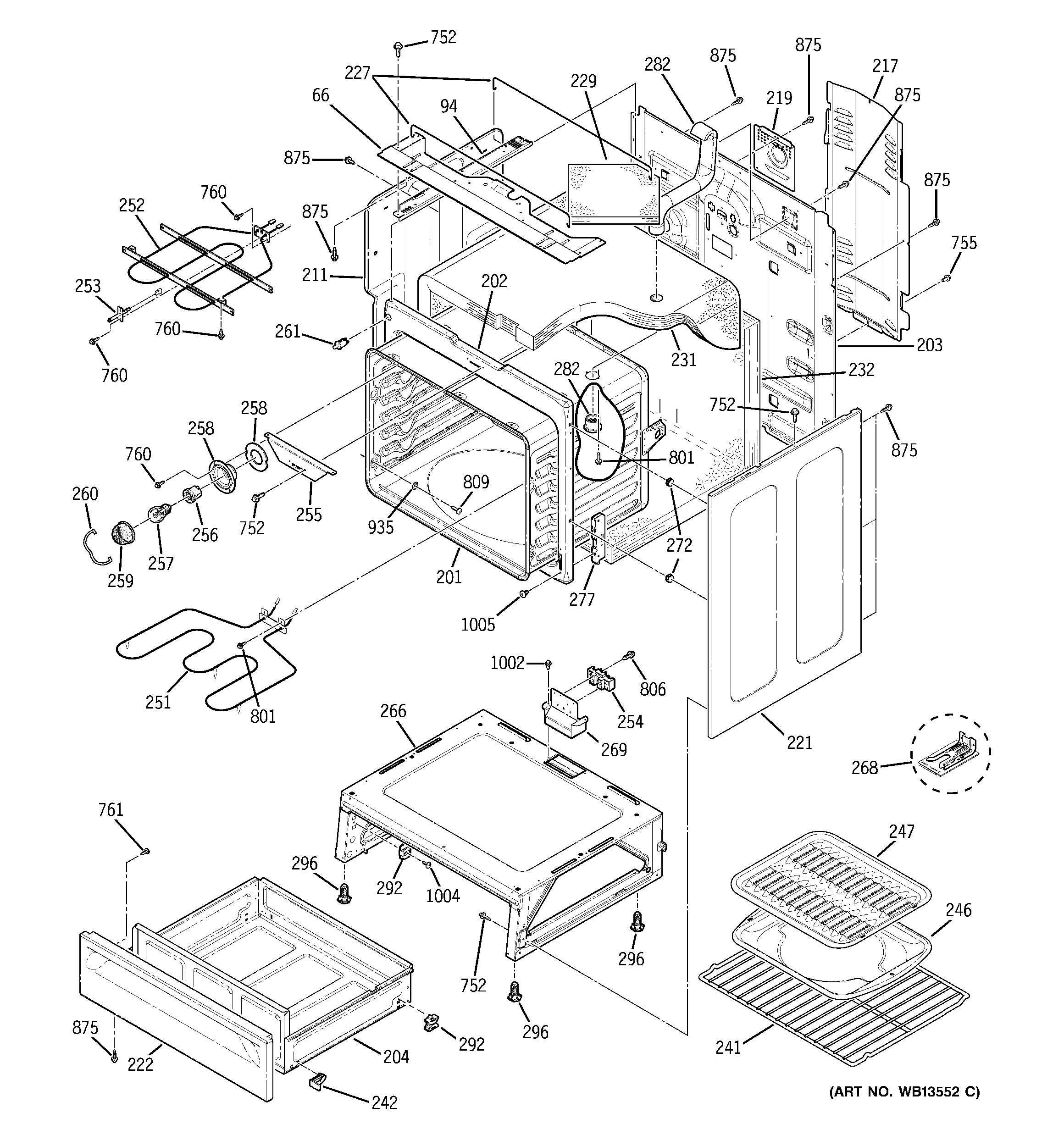
66ENCLOSURE RANGETOP
94WB02T10463 GE Oven Radiant Chassis Brace
94WB34X26004 GE Range Radiant LT Chassis BR
201WB63X20942 GE Oven Body Weld Assembly
202GEN WB63T10096
203GEN WB63T10047
204WB55T10178 GE Oven Mechanical Drawer Body Assembly
211GEN WB02T10275
217WB34T10128 GE Oven Back Cover
219COVER RECEPTACLE
221GEN WB63T10110
222DRAWER PANEL-BISQUE
227GEN WB02T10252
227GEN WB02T10196
229WB35T10017 GE Oven Vent Tube Insulation
231WB35T10209 GE Oven Insulation
232WB35T10113 GE Oven Insulation Assembly
241WB48T10011 GE Oven Shelf Rack
242WB48T10068 GE Oven Wedge Drawer
246WB48X10056 GE Broil Pan Set, Large Porcelain
251WB44T10011 GE Oven Bake Element
252WB44T10009 GE Oven Broil Element
253WB21X22134 GE Oven Sensor Assembly
254WB17T10011 GE Oven Terminal Block
255GEN WB07T10109
256WB08T10026 GE Range Push-In Receptacle
257RANGE ONLY 40W 120V APPL BULB
258WB02T10027 GE Oven Gasket
258WB02T10037 GE Oven Light Cup
259WB36X192 GE Oven Light Cover
260GEN WB02X7694
261WB24T10147 GE Oven SPDT Light Switch
266WB63X28540 GE Base Assembly Rivet
268WB02T10415 GE Oven Anti-Tip Bracket Assembly
269TERMINAL BOX
272WB02T10034 GE Oven Body Side Support
277GEN WB10T10041
282WB38X33648 GE Vent Tube
282GEN WB38T10022
292WB02X33180 GE Oven Drawer Glide
292WB48T10013 GE Oven Drawer Support
296WB02X10521 GE Oven Leveling Leg
752WB1K5200 GE Oven Screw 340531
755WZ4X44D GE Screw Package
760WB1X536 GE Oven Screw
761WB1X5364 GE Oven Mounting Screw
801WB1M1 GE Oven Screw
806WH2X1186 GE Screw
809WB1X1137 GE Oven Screw
875WZ4X245D GE Screw Package
875WH2X930 GE Screw
935WB1K5174 GE Oven Washer
1002WB01T10017 GE Oven 8-18 AB Screw IHW 3/8 S NS
1004GEN WH02X0941
1005WB01T10008 GE Oven Screw 10-32