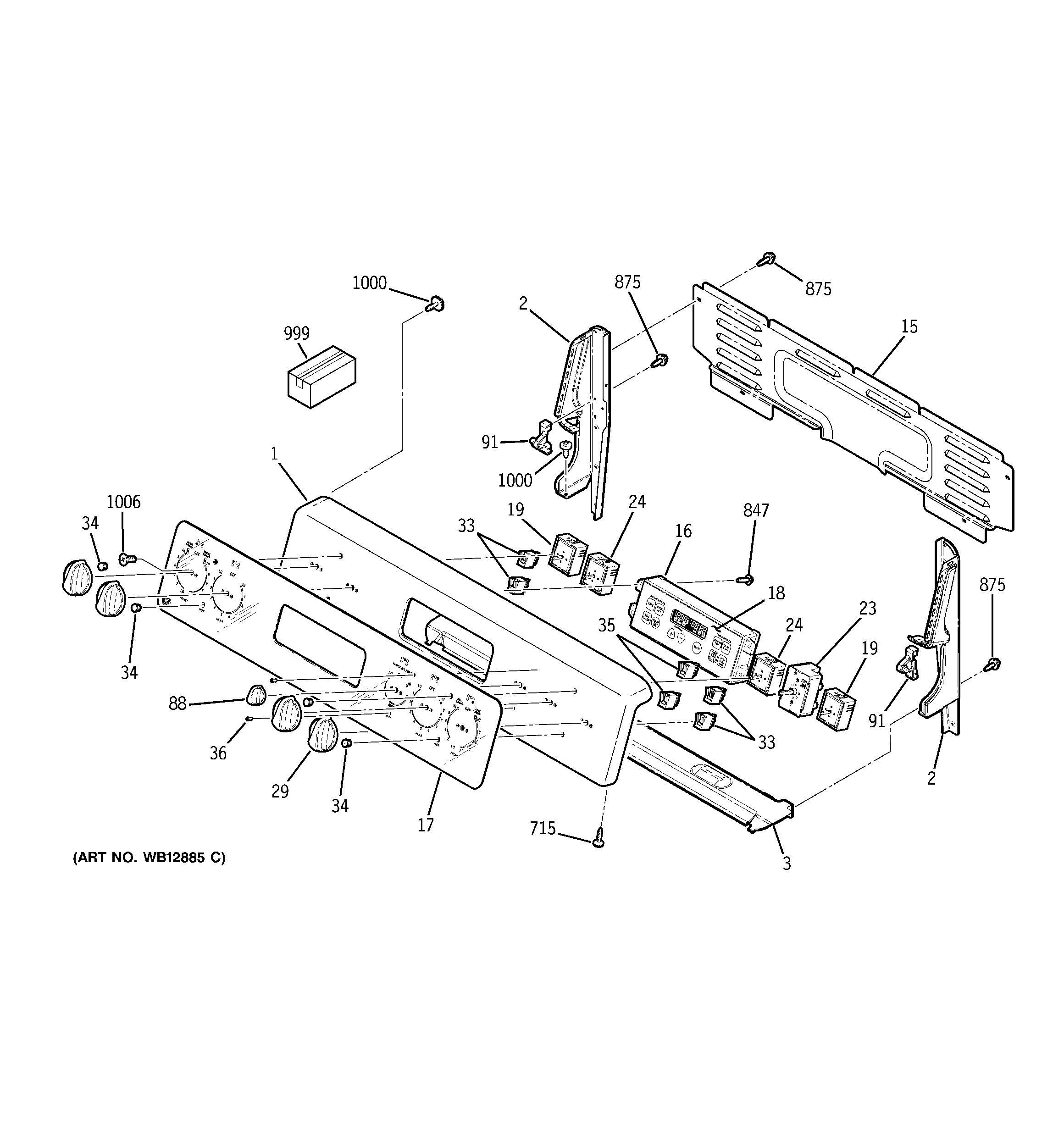
JBP82SH1SS CONTROL PANEL