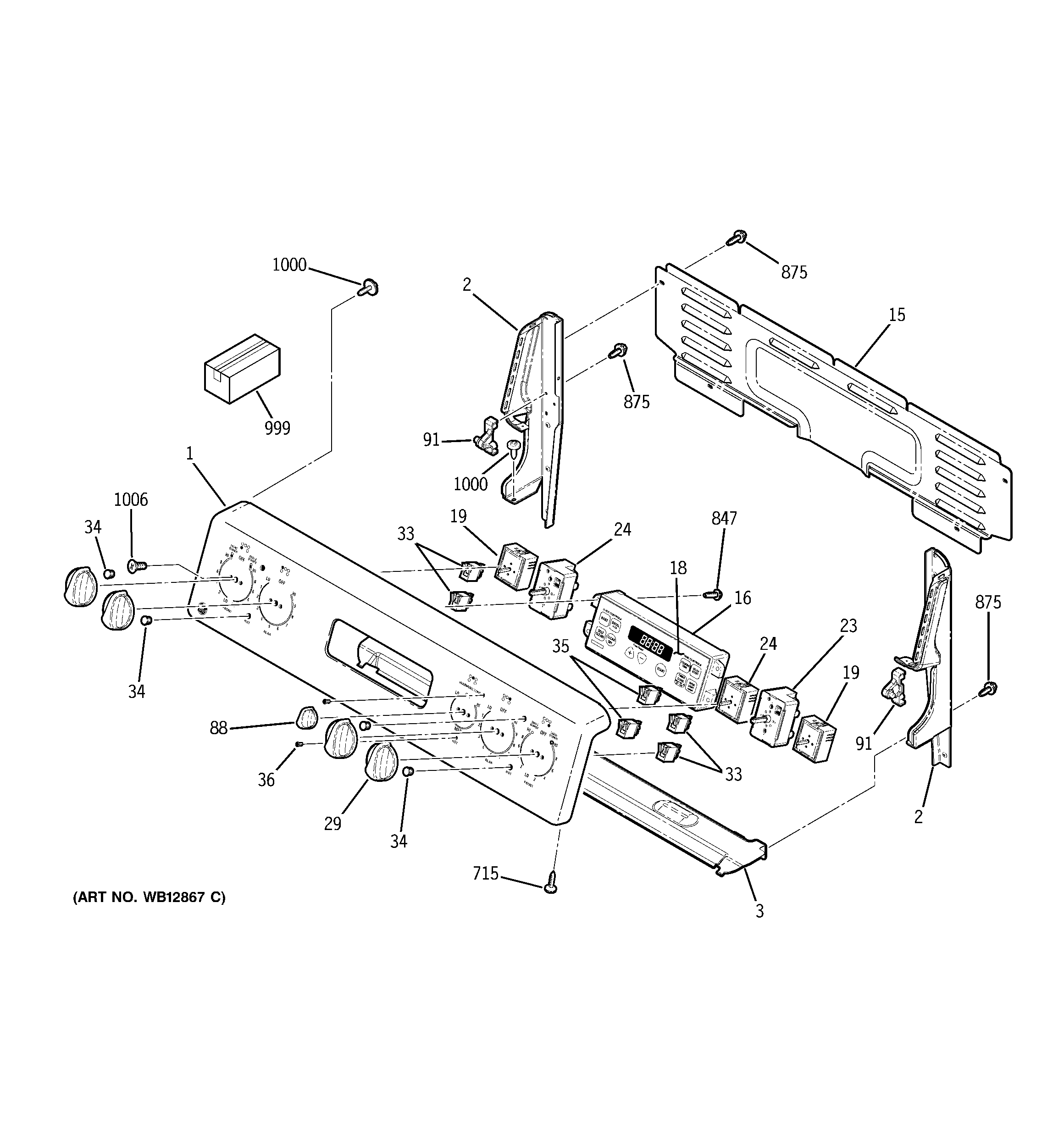
JBP82WH1WW CONTROL PANEL