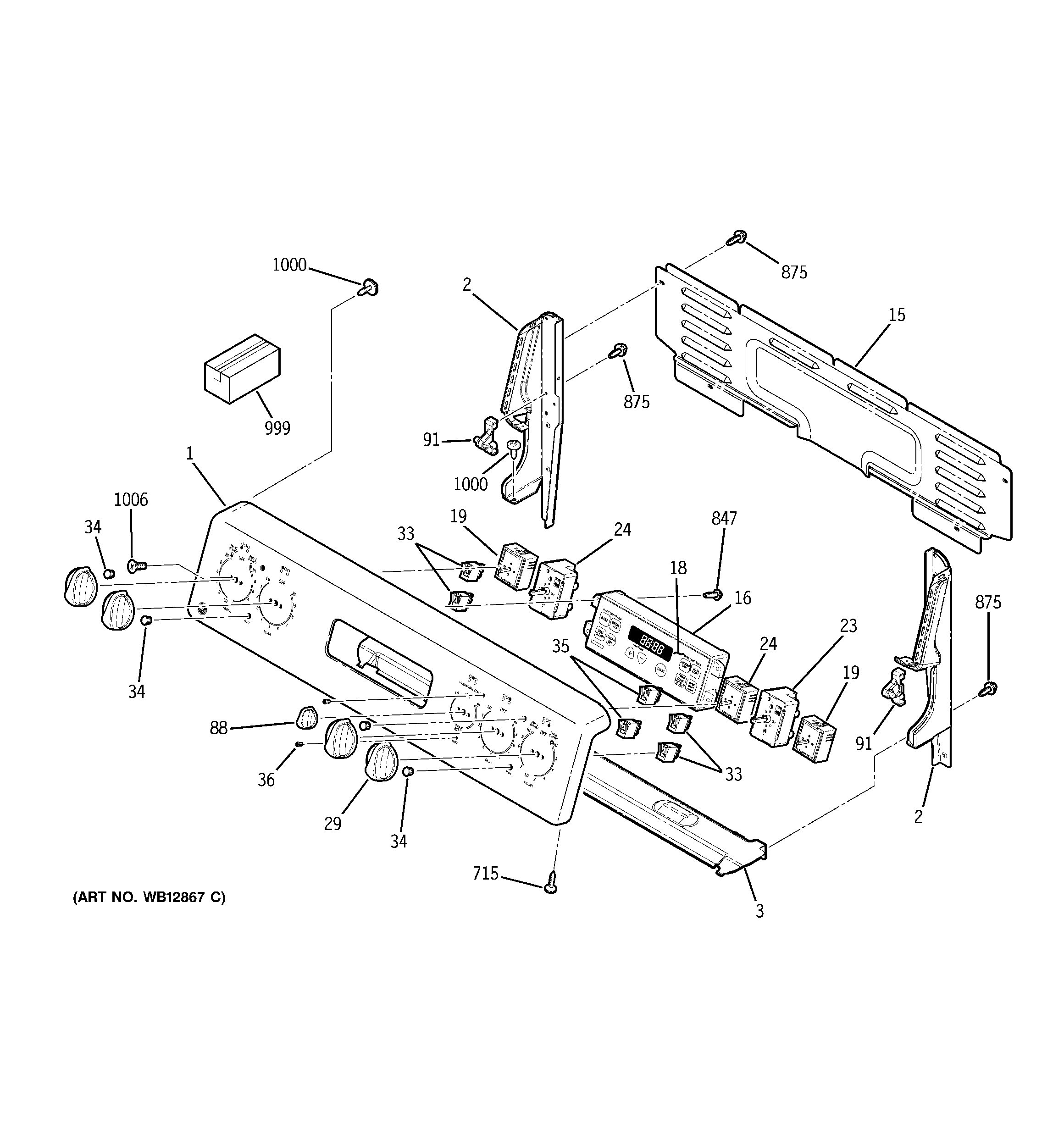
| 1 | GEN WB36T10706 |
| 2 | GEN WB36T10247 |
| 2 | GEN WB36T10248 |
| 3 | GEN WB02T10022 |
| 15 | GEN WB34T10088 |
| 16 | GEN WB27T10473 |
| 18 | GEN WB27T10526 |
| 19 | WB24T10153 GE Oven Infinite Switch Control |
| 23 | WB24T10029 GE Oven Infinite Burner Switch |
| 24 | INFINITE CONTROL SWITCH |
| 29 | WB03T10207 GE Surface Unit Knob |
| 33 | WB27T10626 GE Oven Indicator Light Pilot |
| 34 | WB25T10041 GE Oven Lens |
| 35 | WB25K10010 GE Oven Light Indicator Pilot |
| 36 | LENS |
| 88 | GEN WB03T10208 |
| 91 | GEN WB10T10002 |
| 715 | WD2X433 GE Dishwasher Trim Screw |
| 847 | WB1X1118 GE Oven Screw 6-32T |
| 875 | WZ4X245D GE Screw Package |
| 875 | WH2X930 GE Screw |
| 999 | GEN 31-10556 |
| 999 | PM10X310 GE Cerama Bryte Cooktop Cleaner |
| 1000 | WB01T10016 GE Oven Screw 8-18 AB Hex |
| 1006 | WB01X23501 GE Oven Screw 8-32 Tapping Flat Head |