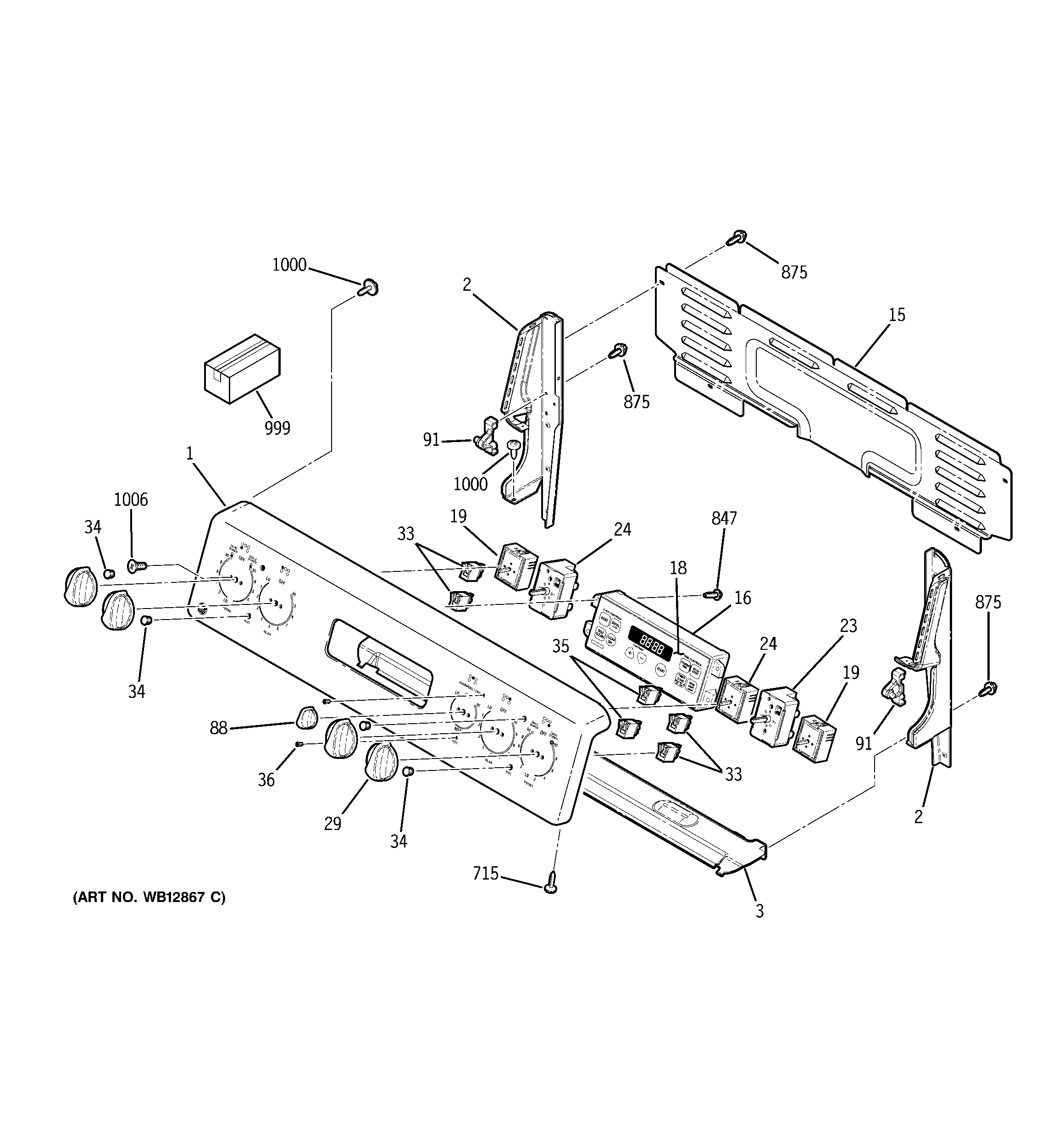
JBP83GH2WW CONTROL PANEL