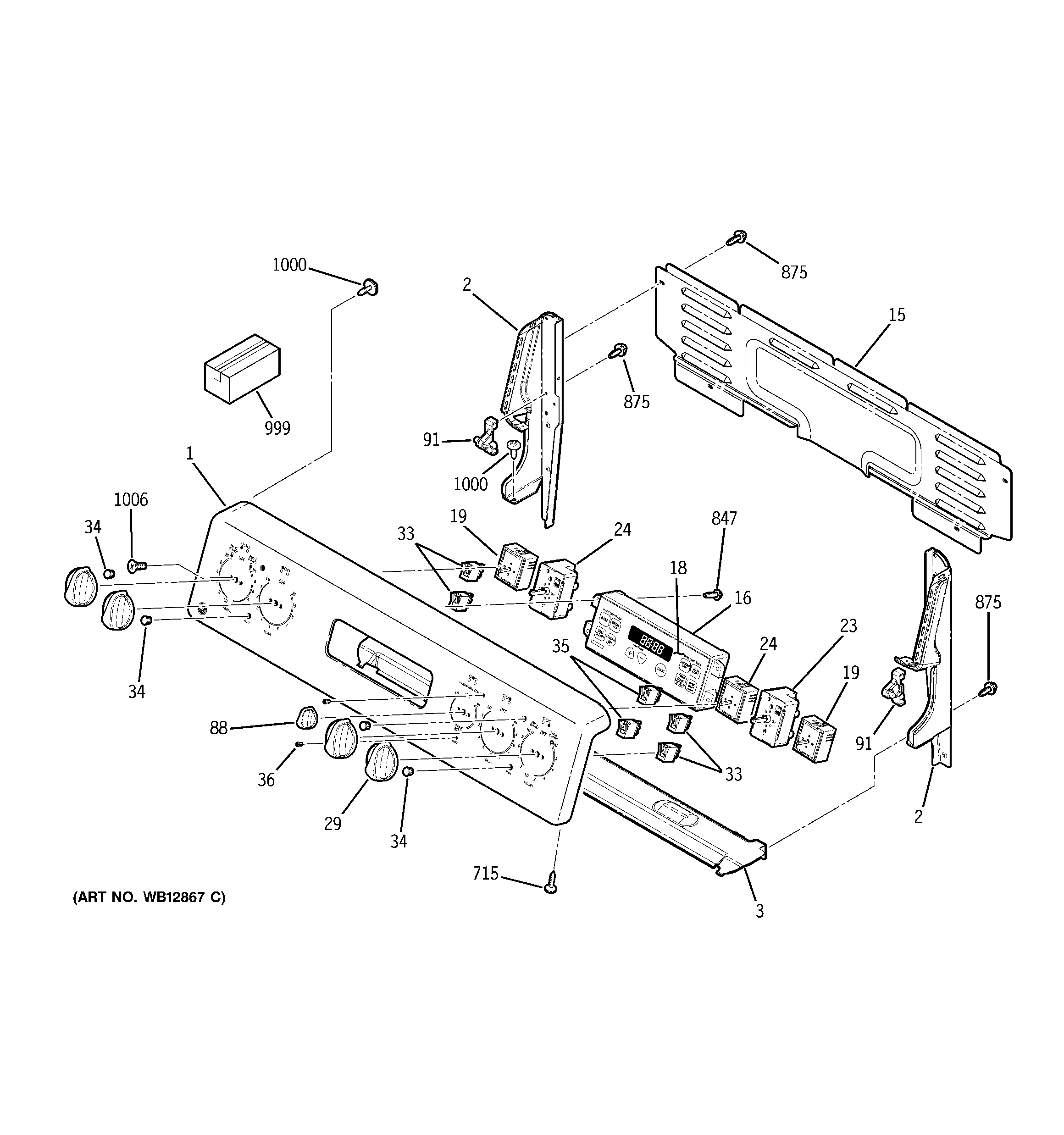
JBP83HH2BB CONTROL PANEL