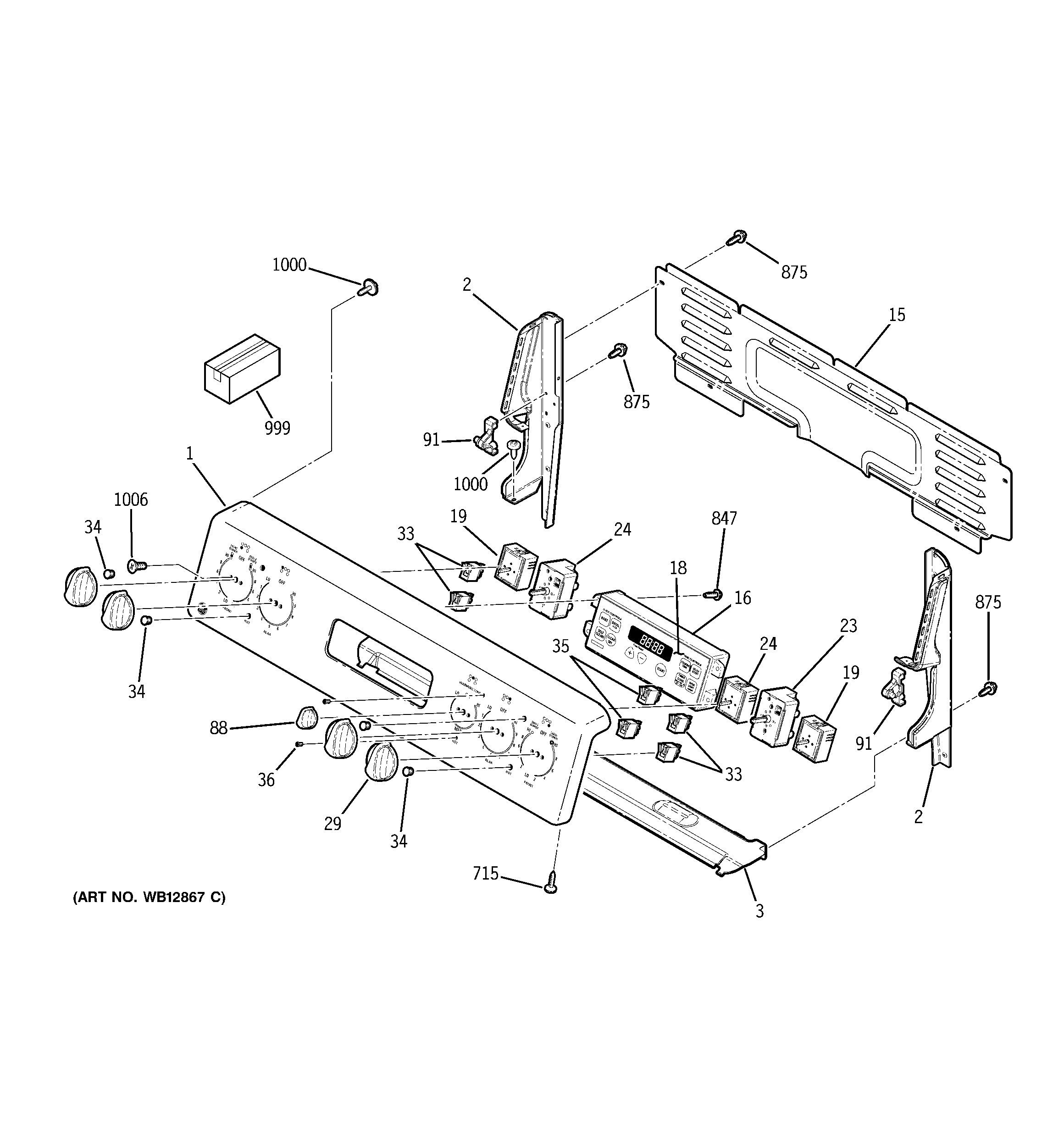
JBP83TH1WW CONTROL PANEL