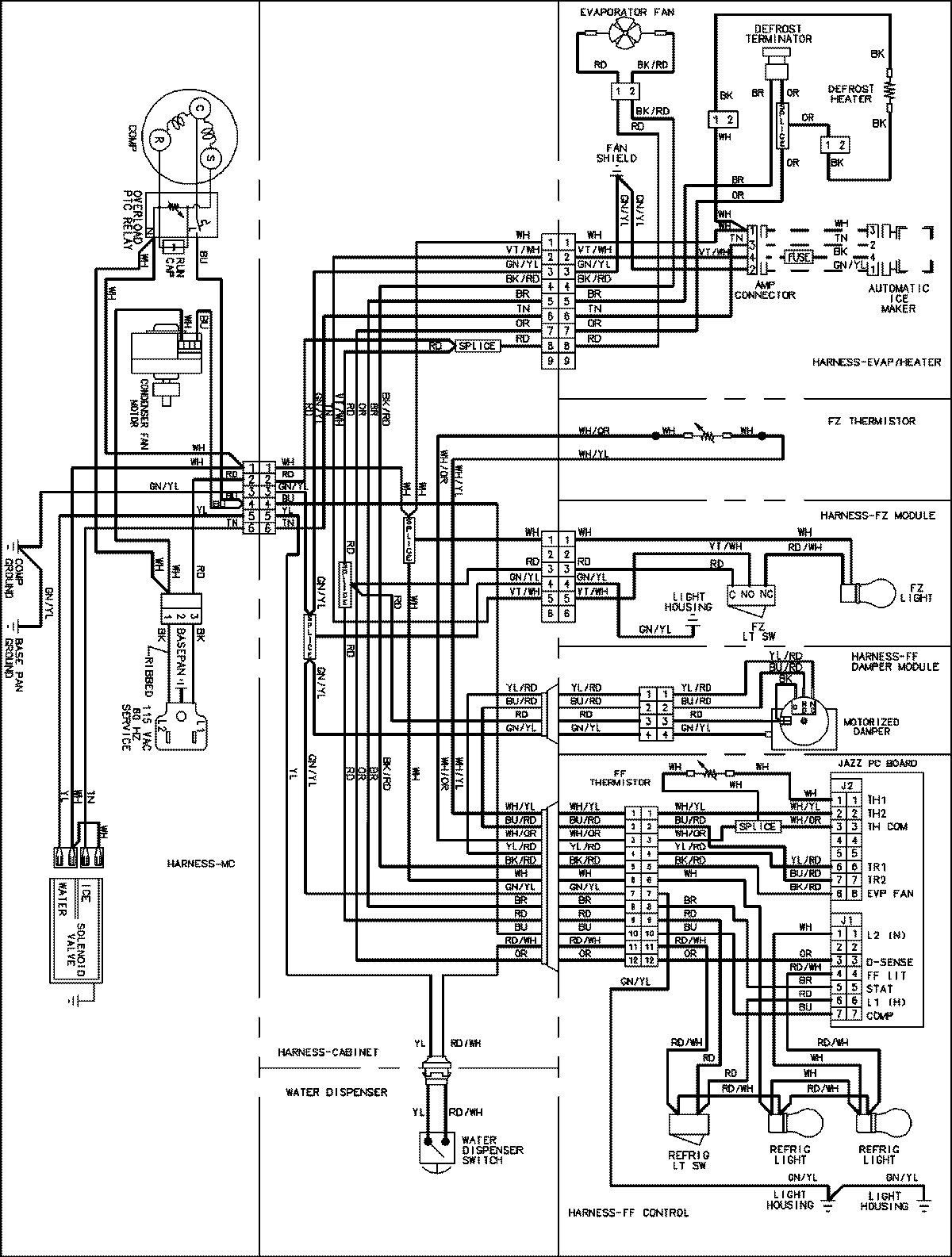
JBR2256HES 15 – WIRING INFORMATIONadmin2025-04-26T09:18:39+00:00JBR2256HES 15 – WIRING INFORMATION ProductsPositionProductNIMAY 15003551