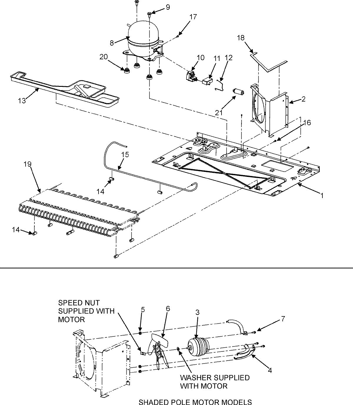
JC2225GEKB 02 – COMPRESSORadmin2025-04-26T09:17:01+00:00JC2225GEKB 02 – COMPRESSOR ProductsPositionProduct1MAY 670015122MAY 126871013Motor, Condenser4Bracket, Motor (3)5GROMMET, BRACKET6WP12587601 Whirlpool Refrigerator Condenser Blade7Screw (3)8MAY 670050289MAY M022152310MAY 6700481511MAY 6700281512MAY 6700317913MAY 670047441467005680 Whirlpool Refrigerator Condenser Grommet15MAY 6700470016MAY M023861617MAY M023160418WP854334 Whirlpool Air Conditioner Sealing Strip19MAY 6700223519WP67006131 Whirlpool Refrigerator Condenser2067003493 Whirlpool Refrigerator Compressor Grommet21MAY 6700506222MAY 67005116