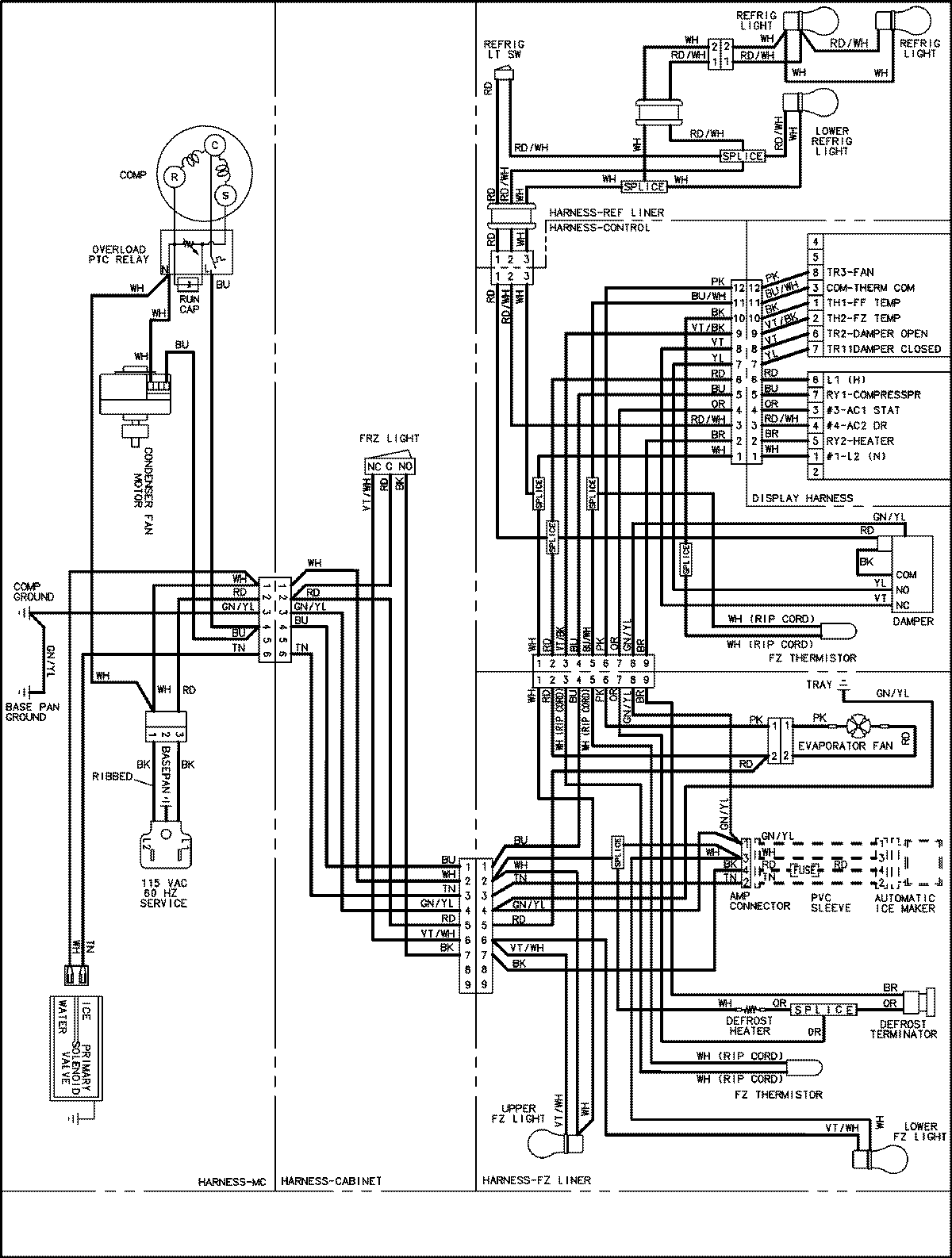
JCB2280HEQ 16 – WIRING INFORMATIONadmin2025-04-26T09:15:01+00:00JCB2280HEQ 16 – WIRING INFORMATION ProductsPositionProductNIMAY 15003550