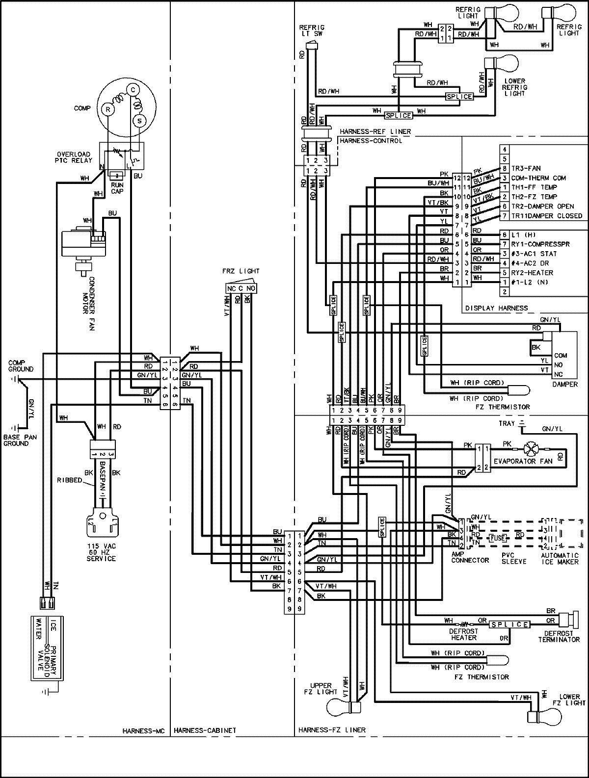
JCB2280HES 16 – WIRING INFORMATIONadmin2025-04-26T09:17:52+00:00JCB2280HES 16 – WIRING INFORMATION ProductsPositionProductNIMAY 15003550