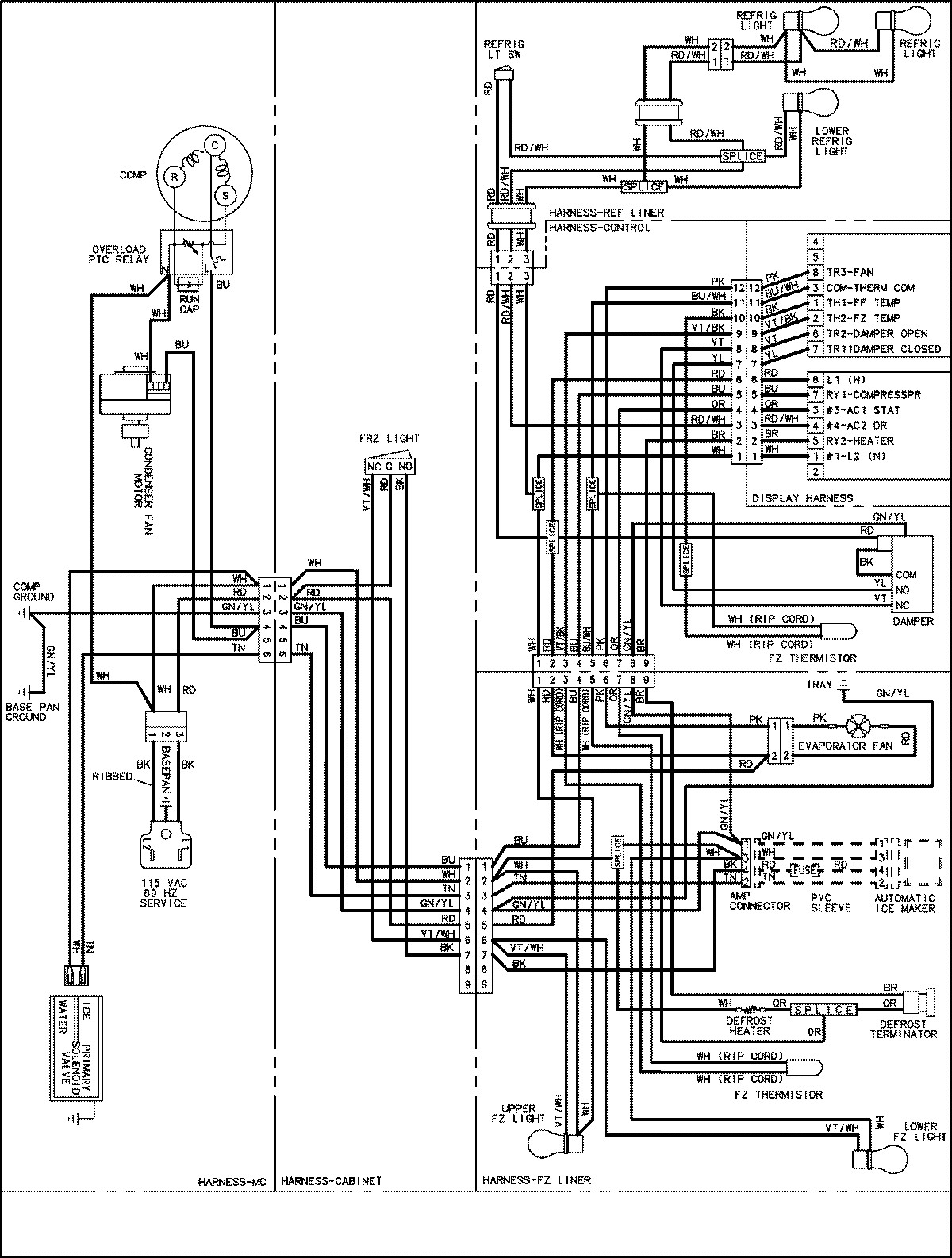
JCB2280HEW 16 – WIRING INFORMATIONadmin2025-04-26T09:16:44+00:00JCB2280HEW 16 – WIRING INFORMATION ProductsPositionProductNIMAY 15003550