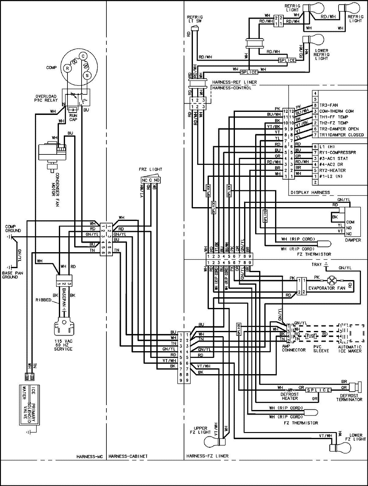
JCB2282HTB 15 – WIRING INFORMATIONadmin2025-04-26T09:16:08+00:00JCB2282HTB 15 – WIRING INFORMATION ProductsPositionProductNIMAY 15003550