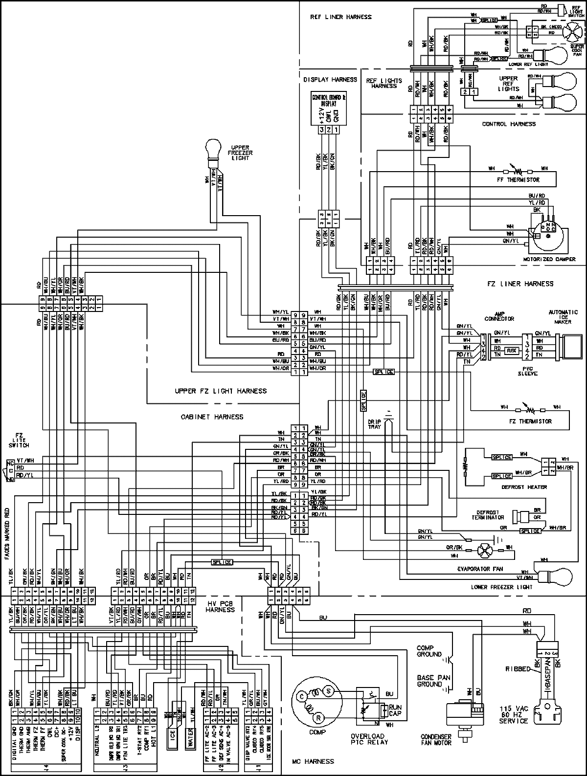
JCB2282KTW 16 – WIRING INFORMATIONadmin2025-04-26T09:16:13+00:00JCB2282KTW 16 – WIRING INFORMATION ProductsPositionProductNIMAY 15003682NIMAY 15003913