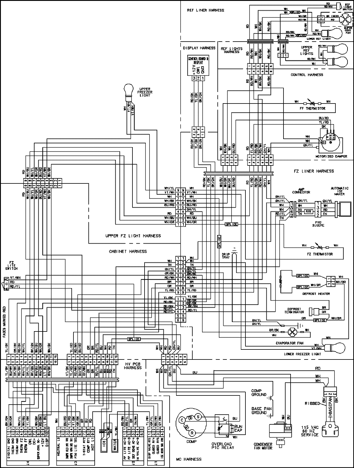
JCB2285KES 16 – WIRING INFORMATIONadmin2025-04-26T09:16:44+00:00JCB2285KES 16 – WIRING INFORMATION ProductsPositionProductNIMAY 15003682NIMAY 15003913