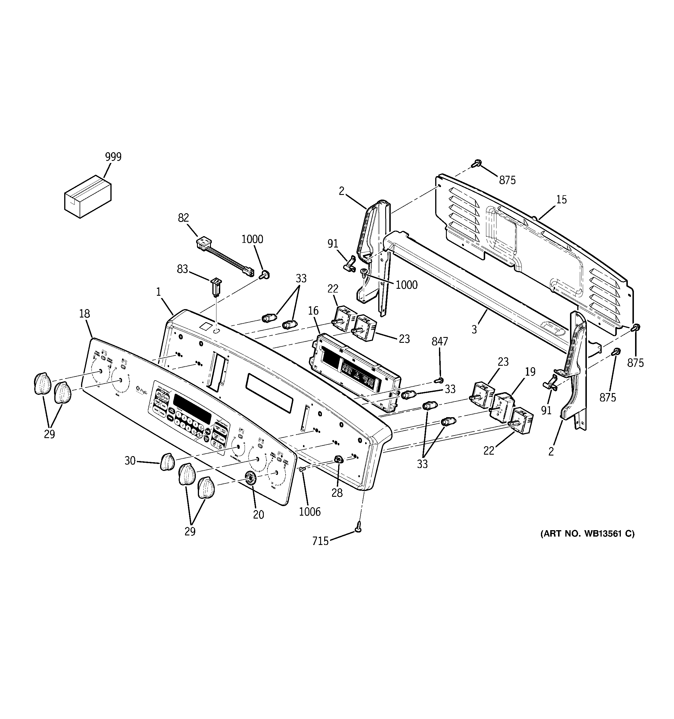
JCB909SL2SS CONTROL PANELadmin2025-04-26T10:59:37+00:00JCB909SL2SS CONTROL PANEL ProductsPositionProduct1GEN WB36T107652GEN WB36T102202GEN WB36T102193GEN WB02T1030615GEN WB34T1008116GEN WB27T1080918GEN WB27T1072619WB24T10028 GE Oven Infinite Switch20WB02T10194 GE Capacitor Bracket20WB02T10046 GE Oven Crystal Retainer20GEN WB02T1031822SWITCH INFINITE CONTROL23WB24T10063 GE Range Cooktop Infinite Burner Switch28WB02T10047 GE Oven Crystal Mount Assembly29WB03T10266 GE Oven Knob30GEN WB03T1025733GEN WB25T1003733GEN WB25T1003882GEN WB08T1003283BREAKER RECEPTACLE91GEN WB10T10002715WD2X432 GE Dishwasher Screw847WB1K5167 GE Screw 8-18 X 3/8"875WH2X930 GE Screw875WZ4X245D GE Screw Package999GEN 29-5516999GEN 31-10482999GEN WB18T10064999GEN 31-14436999INSTR INSTALL OVN DOOR999PM10X310 GE Cerama Bryte Cooktop Cleaner1000WB01T10016 GE Oven Screw 8-18 AB Hex1006WB01T10053 GE Oven 8-32 TPT FLR Screw