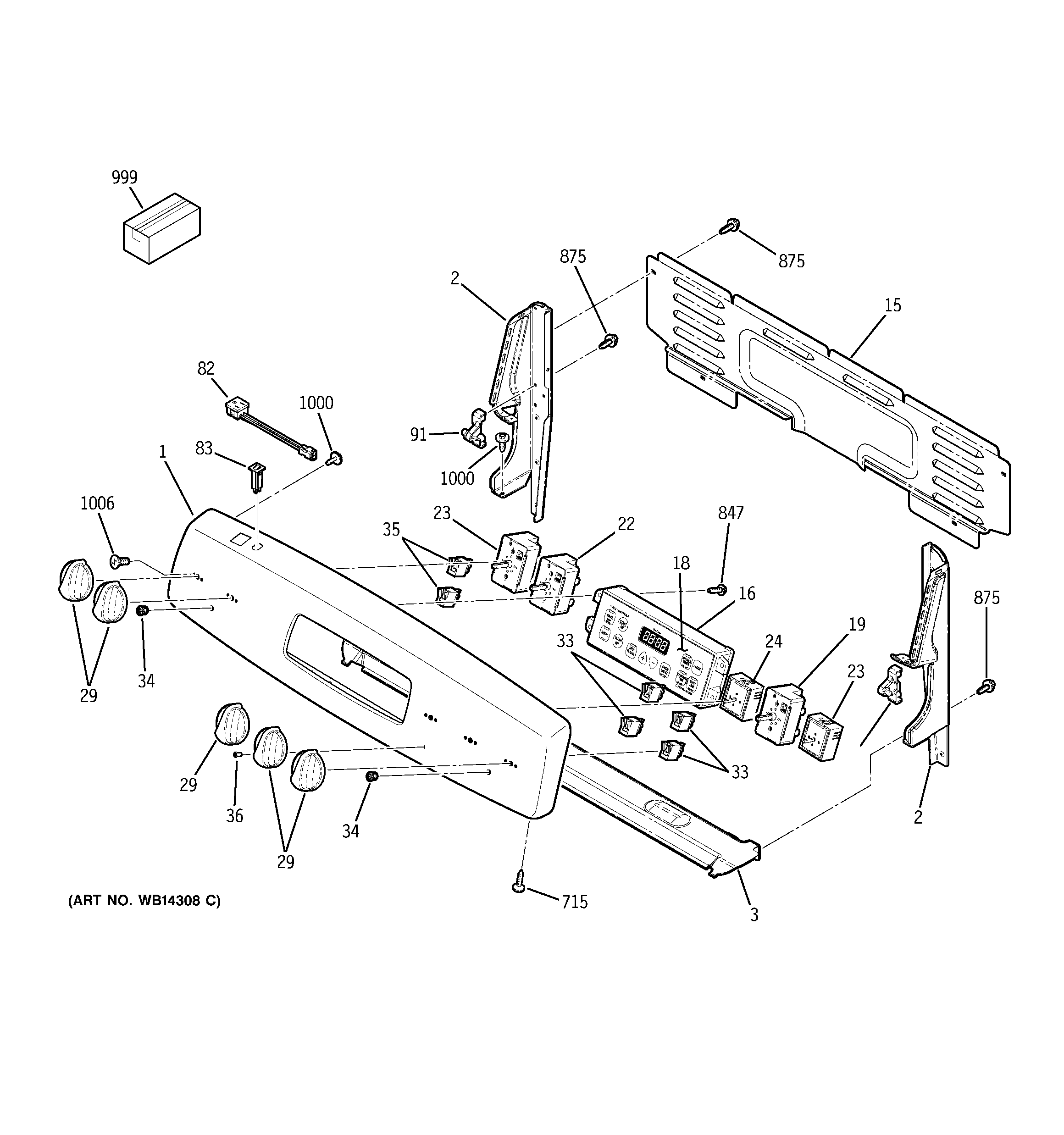
JCBP71CM1WW CONTROL PANELadmin2025-04-26T08:47:51+00:00JCBP71CM1WW CONTROL PANEL ProductsPositionProduct1GEN WB36T111182GEN WB36T110432GEN WB36T110423SHIELD HEAT BKGD15GEN WB02T1039216CONTROL OVEN TO9 (ELEC)18GEN WB27T1101019WB24T10011 GE Oven Infinite Switch22WB24T10145 GE Oven Burner Switch23WB24T10153 GE Oven Infinite Switch Control24INFINITE CONTROL SWITCH29WB03T10282 GE Oven Infinite Knob (White)33GEN WB27T1062834WB25T10041 GE Oven Lens35WB25T10040 GE Oven Light Indicator36LENS82GEN WB08T1003483GEN WB08T1003591WB10T10116 GE Range Top Hinge Pin715WD2X433 GE Dishwasher Trim Screw847WB1X537 GE Oven Screw875WH2X930 GE Screw875WZ4X245D GE Screw Package999GEN 31-10620999GEN 31-14576999GEN 31-10482999PM10X310 GE Cerama Bryte Cooktop Cleaner999INSTR INSTALL OVN DOOR999GEN 29-55601000WB01T10016 GE Oven Screw 8-18 AB Hex1006WB01X23501 GE Oven Screw 8-32 Tapping Flat Head