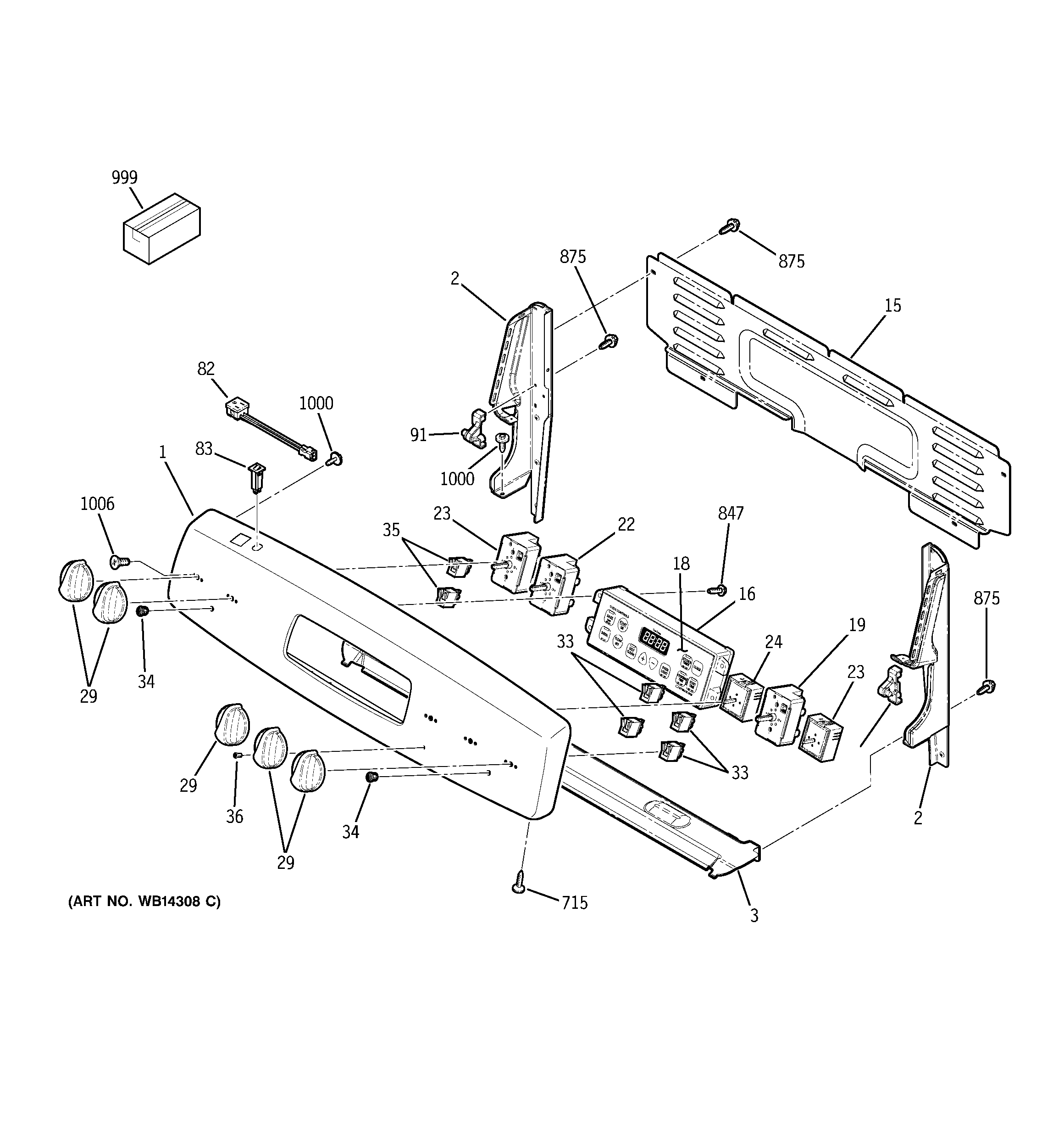
JCBP71CM2BB CONTROL PANEL