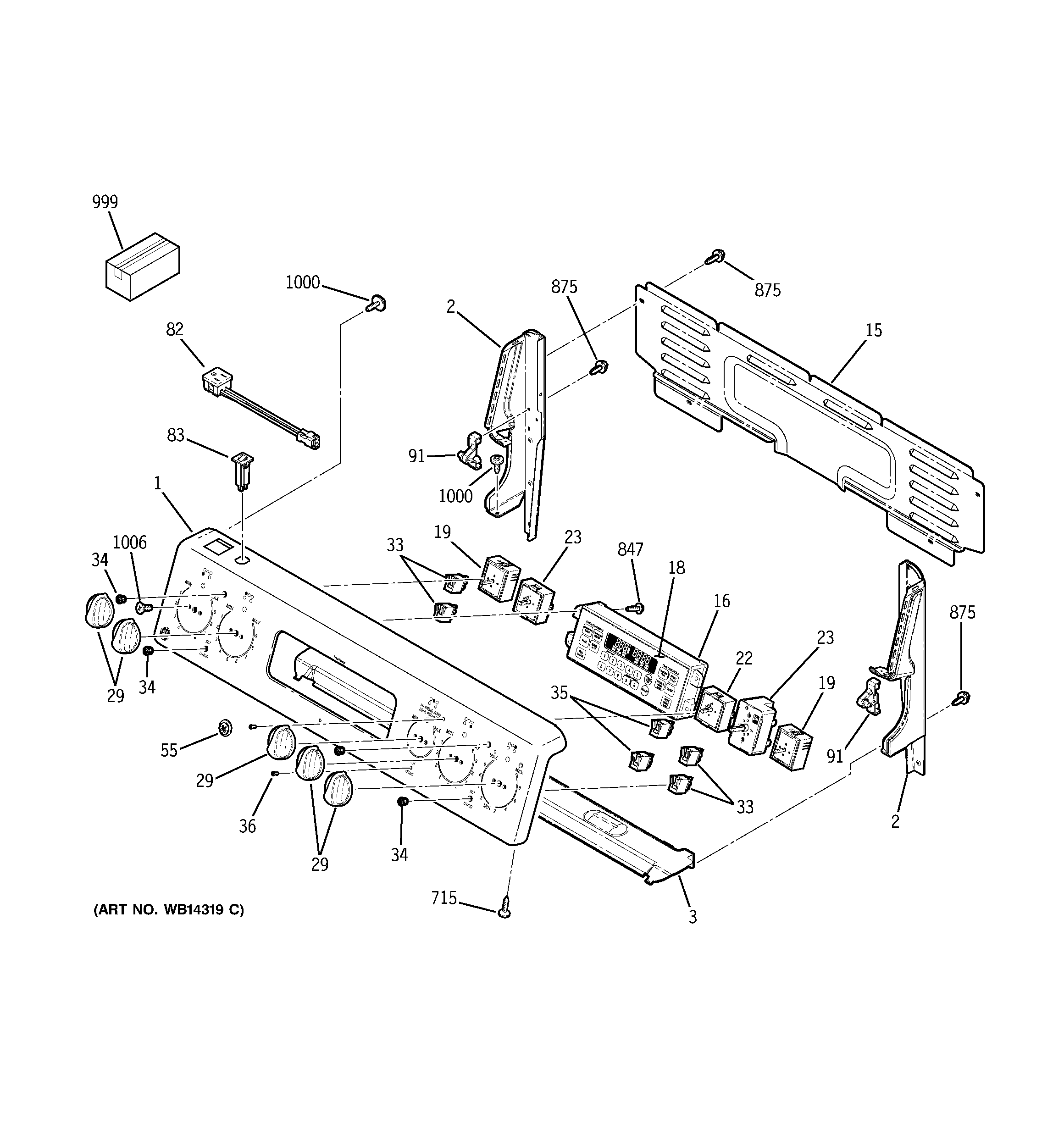
JCBP77MM1BG CONTROL PANELadmin2025-04-26T08:48:06+00:00JCBP77MM1BG CONTROL PANEL ProductsPositionProduct1GEN WB36T111232GEN WB36T110402WB36T11039 GE Oven End Plate Right (Black)3SHIELD HEAT BKGD15GEN WB02T1039216GEN WB27T1081018GEN WB27T1103119WB24T10153 GE Oven Infinite Switch Control22INFINITE CONTROL SWITCH23WB24T10145 GE Oven Burner Switch29GEN WB03T1028633GEN WB27T1062834WB25T10041 GE Oven Lens35WB25T10040 GE Oven Light Indicator36LENS55WB02T10359 GE Oven Badge82GEN WB08T1003283BREAKER RECEPTACLE91WB10T10116 GE Range Top Hinge Pin715WD2X432 GE Dishwasher Screw847WB1K5167 GE Screw 8-18 X 3/8"875WZ4X245D GE Screw Package875WH2X930 GE Screw999GEN 31-10619999GEN 29-5560999GEN 31-14586999GEN 31-10620999GEN 31-10482999PM10X310 GE Cerama Bryte Cooktop Cleaner999GEN WB18T100641000WB01T10016 GE Oven Screw 8-18 AB Hex1006WB01T10053 GE Oven 8-32 TPT FLR Screw