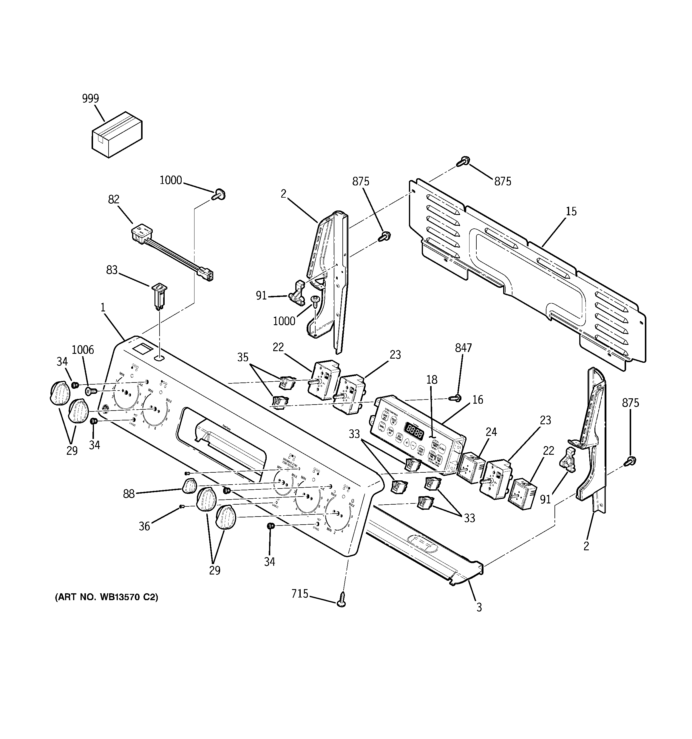
JCBP80BK2BB CONTROL PANELadmin2025-04-26T08:48:15+00:00JCBP80BK2BB CONTROL PANEL ProductsPositionProduct1GEN WB36T109102END CAP LEFT/BLACK2GEN WB36T102543GEN WB02T1030615GEN WB34T1008816CONTROL OVEN TO9 (ELEC)18GEN WB27T1072122WB24T10153 GE Oven Infinite Switch Control23WB24T10029 GE Oven Infinite Burner Switch24INFINITE CONTROL SWITCH29GEN WB03T1020333GEN WB27T1062833WB27T10668 GE Oven Light Indicator34LENS35WB25T10040 GE Oven Light Indicator36WB25T10041 GE Oven Lens82GEN WB08T1003283BREAKER RECEPTACLE88GEN WB03T1020491GEN WB10T10002715WD2X432 GE Dishwasher Screw847WB1X1118 GE Oven Screw 6-32T875WZ4X245D GE Screw Package875WH2X930 GE Screw999GEN 31-14410999GEN 31-10482999INSTR INSTALL OVN DOOR999PM10X310 GE Cerama Bryte Cooktop Cleaner999GEN 29-55191000WB01T10016 GE Oven Screw 8-18 AB Hex1006WB01X23501 GE Oven Screw 8-32 Tapping Flat Head