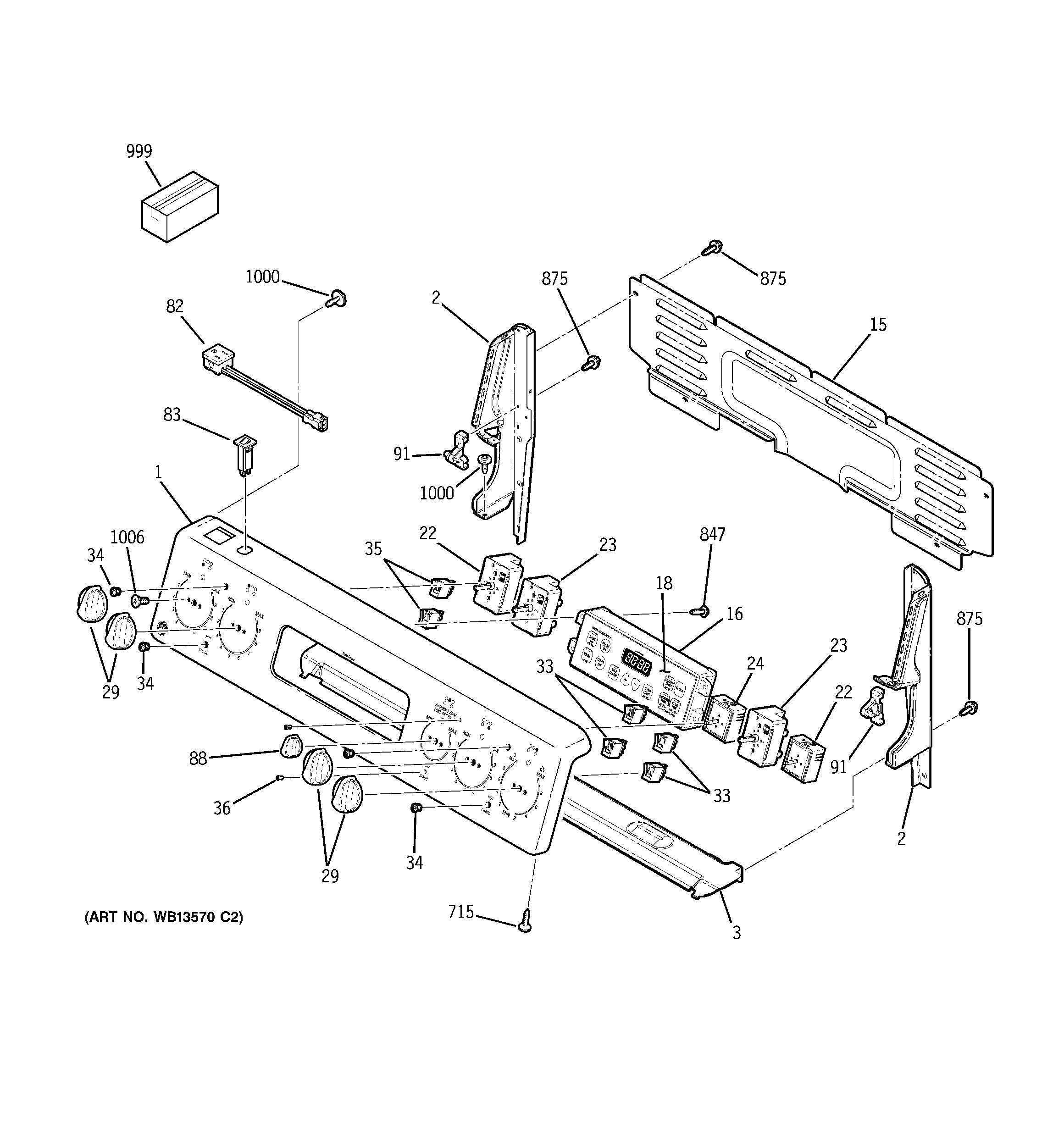
JCBP80CK1CC CONTROL PANELadmin2025-04-26T08:48:11+00:00JCBP80CK1CC CONTROL PANEL ProductsPositionProduct1GEN WB36T109112GEN WB36T102942GEN WB36T102953GEN WB02T1002215GEN WB34T1008816CONTROL OVEN TO9 (ELEC)18GEN WB27T1073322WB24T10153 GE Oven Infinite Switch Control23WB24T10029 GE Oven Infinite Burner Switch24INFINITE CONTROL SWITCH29KNOB BQ33WB27T10668 GE Oven Light Indicator33GEN WB27T1062834LENS35WB25T10040 GE Oven Light Indicator36WB25T10041 GE Oven Lens82GEN WB08T1003683GEN WB08T1003788GEN WB03T1020691GEN WB10T10002715WD2X434 GE Dishwasher Trim Screw847WB1X1118 GE Oven Screw 6-32T875WH2X930 GE Screw875WZ4X245D GE Screw Package999GEN 29-5041999PM10X310 GE Cerama Bryte Cooktop Cleaner999GEN 31-10482999INSTR INSTALL OVN DOOR999GEN 31-143651000WB01T10016 GE Oven Screw 8-18 AB Hex1006WB01X23501 GE Oven Screw 8-32 Tapping Flat Head