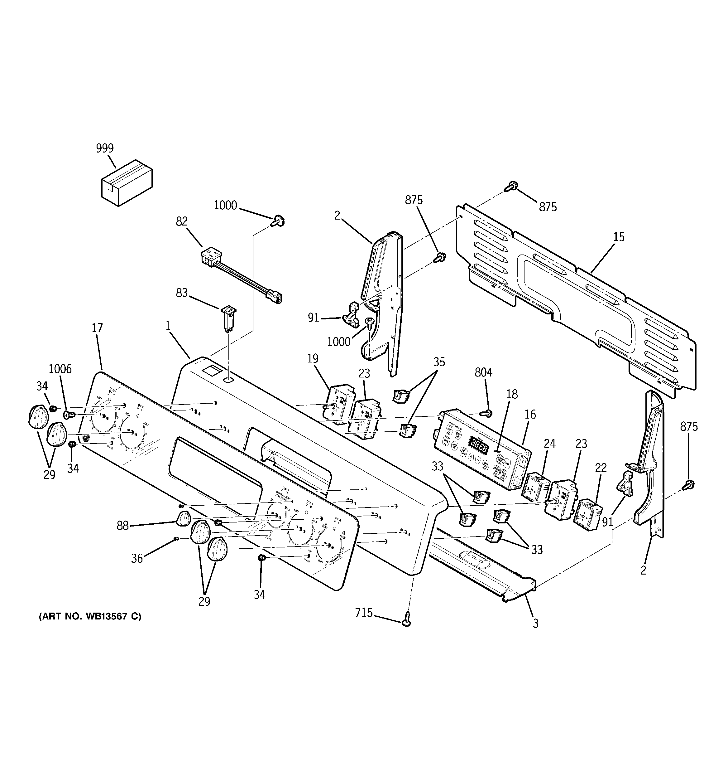
JCBP80SJ1SS CONTROL PANELadmin2025-04-26T08:48:01+00:00JCBP80SJ1SS CONTROL PANEL ProductsPositionProduct1GEN WB36T107702END CAP LEFT/BLACK2GEN WB36T102543GEN WB02T1002215GEN WB34T1008816CONTROL OVEN TO9 (ELEC)17GEN WB27T1063518GEN WB27T1063219WB24T10027 GE Oven Range Cooktop Top Burner Infinite Switch 2100W22WB24T10153 GE Oven Infinite Switch Control23WB24T10029 GE Oven Infinite Burner Switch24INFINITE CONTROL SWITCH29GEN WB03T1020333GEN WB27T1062834WB25T10041 GE Oven Lens35WB25T10040 GE Oven Light Indicator36LENS82GEN WB08T1003283BREAKER RECEPTACLE88GEN WB03T1020491GEN WB10T10002715WD2X432 GE Dishwasher Screw804WB1X681 GE Oven Screw875WZ4X245D GE Screw Package875WH2X930 GE Screw999GEN 31-10482999PM10X310 GE Cerama Bryte Cooktop Cleaner999GEN 31-10614999GEN 31-14287999GEN 49-802501000WB01T10016 GE Oven Screw 8-18 AB Hex1006WB01T10053 GE Oven 8-32 TPT FLR Screw