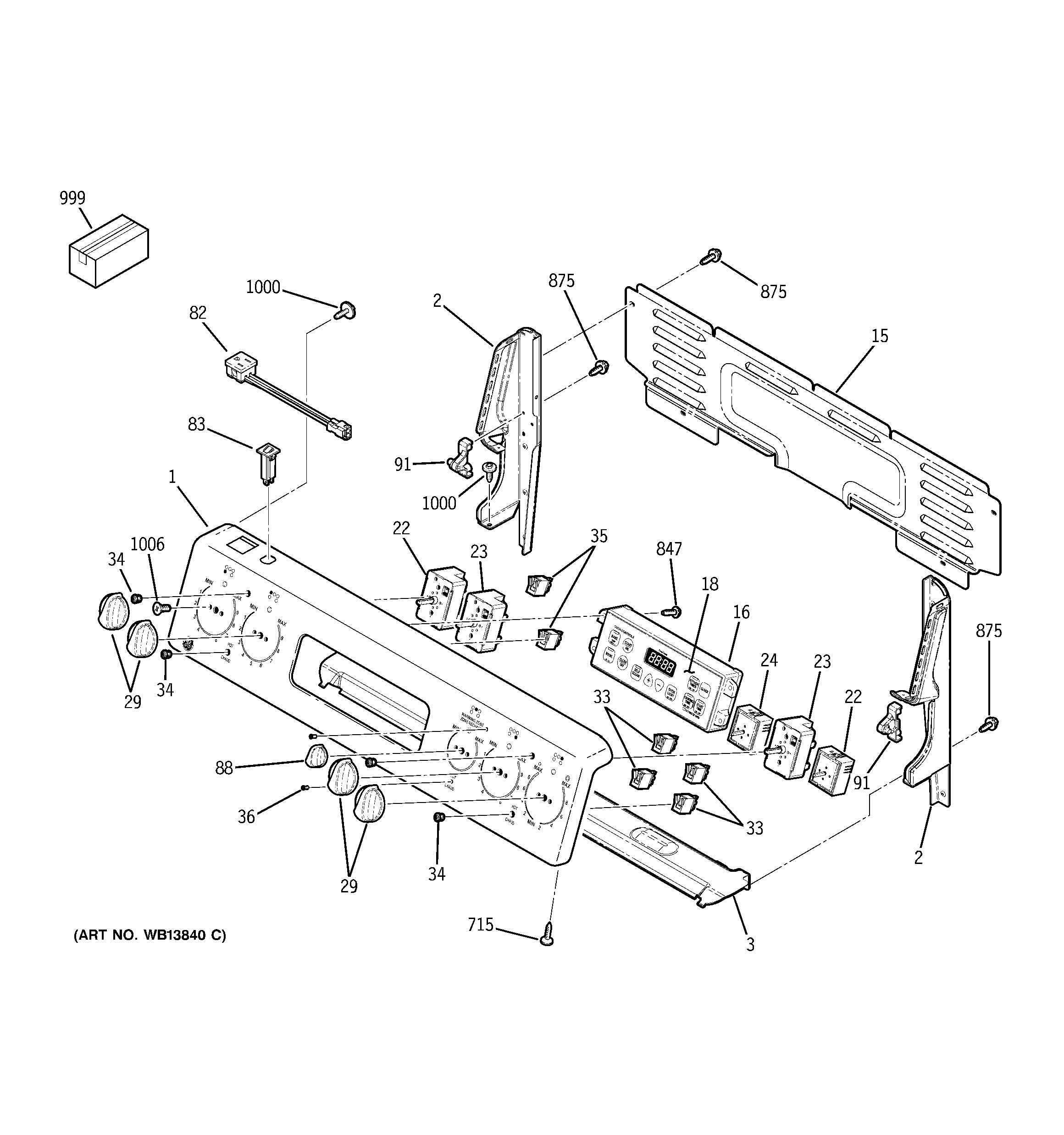
JCBP80SK4SS CONTROL PANELadmin2025-04-26T08:47:46+00:00JCBP80SK4SS CONTROL PANEL ProductsPositionProduct1GEN WB36T109542END CAP LEFT/BLACK2GEN WB36T102543GEN WB02T1030615GEN WB34T1008816CONTROL OVEN TO9 (ELEC)18GEN WB27T1072122WB24T10153 GE Oven Infinite Switch Control23WB24T10029 GE Oven Infinite Burner Switch24INFINITE CONTROL SWITCH29GEN WB03T1020333WB27T10668 GE Oven Light Indicator33GEN WB27T1062834LENS35WB25T10040 GE Oven Light Indicator36WB25T10041 GE Oven Lens82GEN WB08T1003283BREAKER RECEPTACLE88GEN WB03T1020491GEN WB10T10002715WD2X432 GE Dishwasher Screw847WB02T10324 GE Oven Screw 6-20 GXB IHXW 3/8 NI875WZ4X245D GE Screw Package875WH2X930 GE Screw999GEN 31-14495999GEN 29-5519999PM10X310 GE Cerama Bryte Cooktop Cleaner999GEN 31-10482999INSTR INSTALL OVN DOOR1000WB01T10016 GE Oven Screw 8-18 AB Hex1006WB01T10053 GE Oven 8-32 TPT FLR Screw