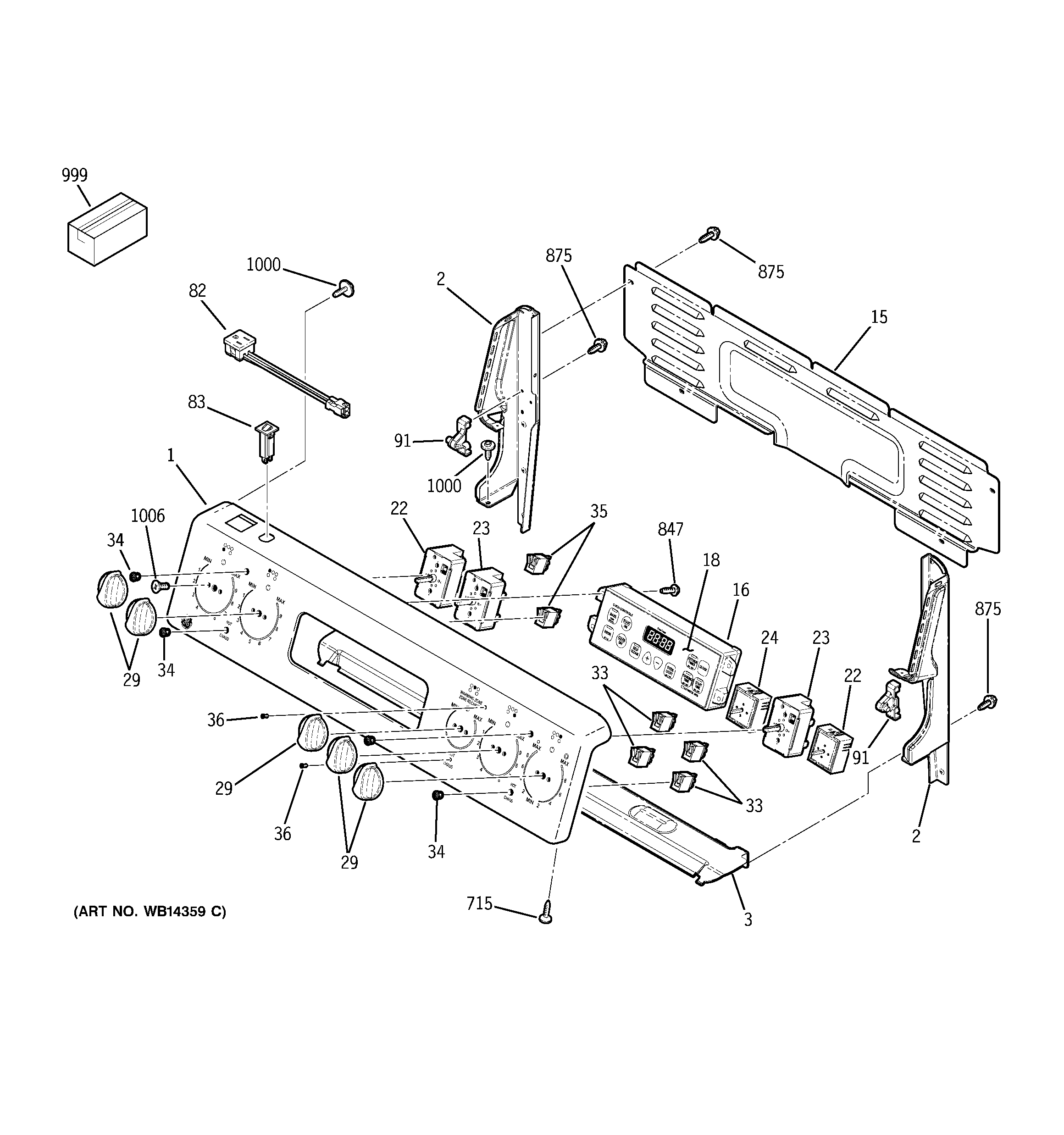
JCBP80SM2SS CONTROL PANEL