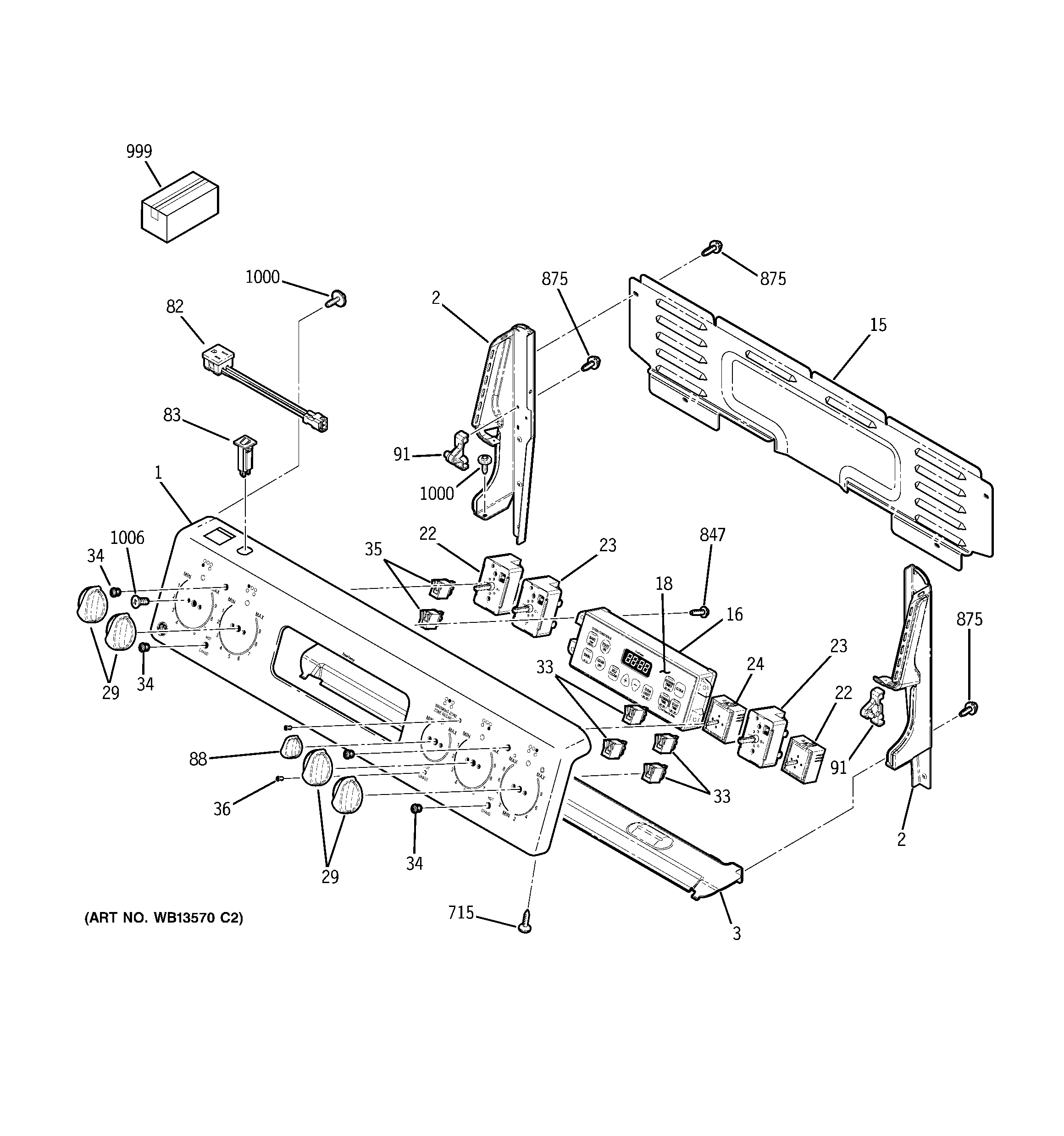
JCBP80WK4WW CONTROL PANELadmin2025-04-26T08:48:07+00:00JCBP80WK4WW CONTROL PANEL ProductsPositionProduct1GEN WB36T109132GEN WB36T102482GEN WB36T102473GEN WB02T1030615GEN WB34T1008816CONTROL OVEN TO9 (ELEC)18GEN WB27T1072322WB24T10153 GE Oven Infinite Switch Control23WB24T10029 GE Oven Infinite Burner Switch24INFINITE CONTROL SWITCH29WB03T10207 GE Surface Unit Knob33GEN WB27T1062833WB27T10668 GE Oven Light Indicator34LENS35WB25T10040 GE Oven Light Indicator36WB25T10041 GE Oven Lens82GEN WB08T1003483GEN WB08T1003588GEN WB03T1020891GEN WB10T10002715WD2X433 GE Dishwasher Trim Screw847WB02T10324 GE Oven Screw 6-20 GXB IHXW 3/8 NI875WZ4X245D GE Screw Package875WH2X930 GE Screw999GEN 31-14495999GEN 29-5519999GEN 31-10482999INSTR INSTALL OVN DOOR999PM10X310 GE Cerama Bryte Cooktop Cleaner1000WB01T10016 GE Oven Screw 8-18 AB Hex1006WB01X23501 GE Oven Screw 8-32 Tapping Flat Head